For the last month my SUV listed above K1500 would stalk out while either waiting in park or more aggravating while waiting at a stop light. The catch is that after stalling I would be unable to start the vehicle again for around 20-30 minutes. All attempts at starting would be met with the sound of the engine turning over but just not firing. Then after waiting for said time It would start again and run normally for an hour or so whether driving or sitting in park. When I say it would stall it wouldn’t slowly sputter or bog down it would just quit.
More recently when this happened I noticed the intervals between stalling had gotten shorter and shorter to the point that driving even 5 minutes would cause it to stall out again. A trip back fro the store 3 miles away turned into a 3 stall 2 hours and 30 minute adventure.
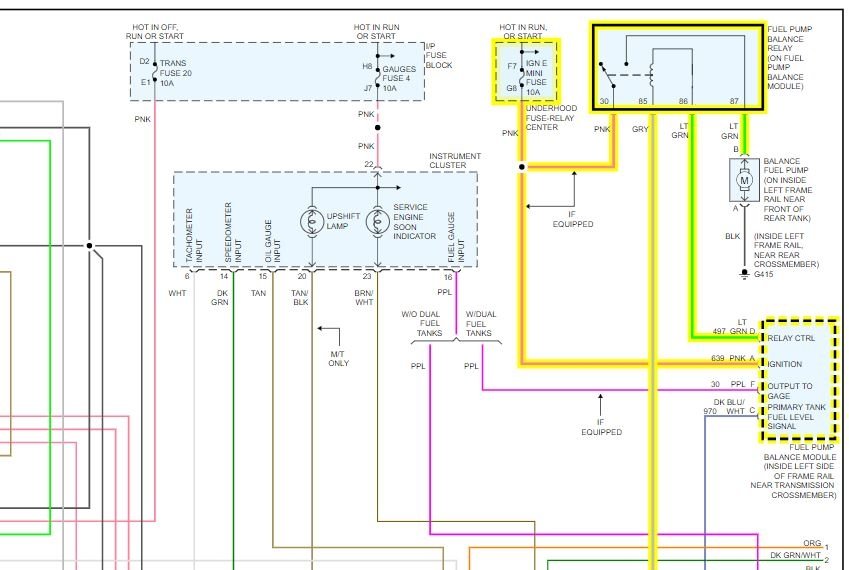
Diagnosing and attempted fixes:
After getting it home I realized it sounded like it was starved for fuel so I first replaced the fuel filter which afterwards now I can no longer even get the vehicle to run anymore. My friend told me to check the pump and while turning the key I could here a series of high pitched chirps instead of the running noise. I then went to replace the fuel pump (Just the pump unit not the whole assembly) but ironically the new pump was defective.
I came to the realization after manually jumping the fuel relay (pin 87 to 30) to send power to the pump and was met with no reaction. Needless to say I manually verified 12v power at the clip near the frame before the tank and then again by pulling the whole assembly and checking at the clip that plugs into the pump. Oddly enough I tried hooking up the old pump and it started right up. Switching out the fuel pump back to the original I then realized that the signal must not be reaching the pump.
Going back to the fuel relay I used my multi-meter to verify that 86 ground was working, 87 load power was fine, however there was no voltage across 85 (power signal from the PCM). I checked 20amp fuse ECM-b which was fine (the fuse is after the relay but I thought I should mention it even tho it’s kinda a given since power did make it to the fuel pump clip) so I decided to try one last thing before giving up. After manually jumpering 87 to 30 on the fuel relay again I could now here the fuel pump (the original fuel pump is on the assembly) turn on and pressurize the fuel rail under the hood and after turning the ignition I was able to start my suburban and it stayed running.
This should pretty much clear any of the normal typical issues that the 5.7L Vortec engine typically sees in a no-start/no-run scenario so I think the issue lies with my PCM but it’s an expensive part and I was hoping to get some feedback from the community before ordering.
Thanks to those that took the time to read through all this.
Monday, March 2nd, 2020 AT 3:11 AM






