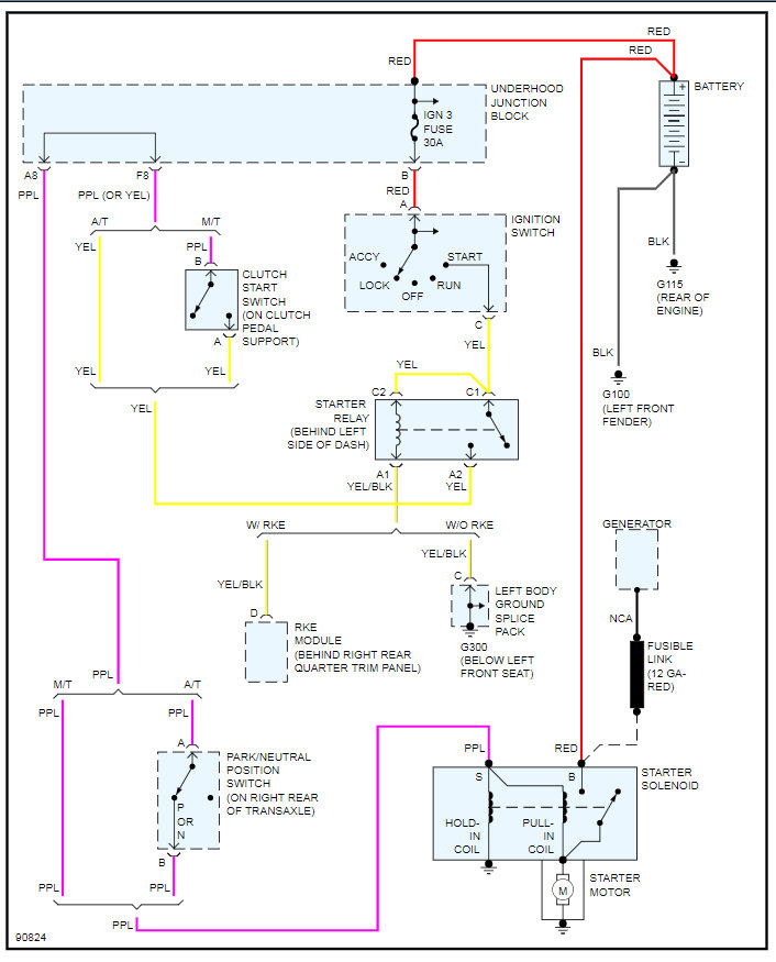
When it won’t start, there is no clicking or dash warning lights, but car will push start.
One time when it failed, I pulled the key and turned it upside down, and it started. I tried that another time and no result. So I got a push start, and when I got home, It has not failed to start yet (may 14, 2020).
I had a professional mechanic put the starter in in late April 2020, and he spent 6 hours going through all the ground connections and cleaned them. He also reinstalled a module above the radio console with buttons on it, traction control, rear defogger and another I don't know about yet. He repaired a chime switch at the driver door that had been inoperative, and tested lots and lots of connections, grounds, fuses, relays, etc.
He test started the car at least 20 times with no failure.
In three weeks, since the work and the new starter, it has failed to key start 3 times, with each failure, turning the key, no click, no dash panel indicator lights; but car will push start(rolling and popping the clutch in 3rd gear).
When I bought the car I found a bag full of relays and fuses and realized someone has already tried to troubleshoot the problem, then I asked the person I bought it from how she ended up with it, and she said that the person she got it from said the previous owner gave it to her free.
So, I have a bag full of replaced fuses and relays, and two good starters in a box that I replied with a new AcDelco.
One more thing. The stereo had been removed and there is an empty hole with the wires (13 of them) just laying in there loose, but the ends taped so there isn't and contact issues. The plug I ordered has 16 wires, and I plan in the future to have a professional stereo shop install one for me.
Thursday, May 14th, 2020 AT 9:48 AM



