Saturday, December 17th, 2022 AT 6:15 AM
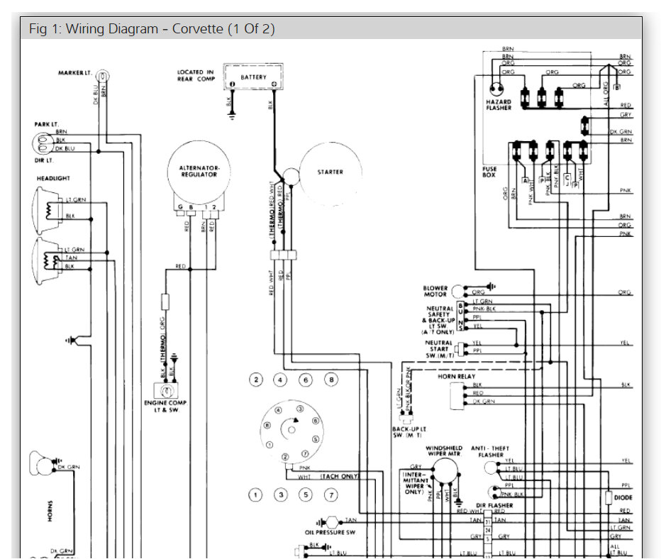
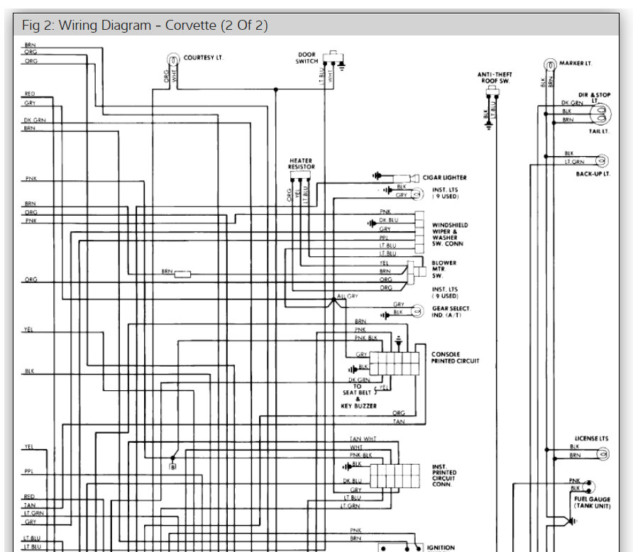
Hi Phil. You had the same problem with your Corvette. Same year as mine, same exact problems as mine! How did you resolve your intermittent non starting issue, and also you had a slight drain on your battery? What circuit was draining your battery? Please let me know how you resolved these issues, so I can fix my corvette starting issues.



