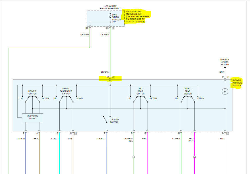
A couple of days ago I got in my car and rolled my windows down since it was a nice day. I got to work, and the windows never rolled back up.
The issue is with the front passenger and both back windows. My driver side window has not worked since I got it and was told it was a motor issue.
I've had the car for about 4 years now with no window issues before today.
Since they all went out, I figured it was highly unlikely that all the motors went out. Here's what I've tried to remedy the situation:
1. Changed the fuse twice. It's a FMX 30 amp. Tried one and nothing. I saw it was a JCase so I went back and got a "Slow Blow" version of the fuse and still nothing.
2. Got a new power window switch and still nothing.
Everything else on the door panel still works, like the power locks and the side mirror adjuster.
Not sure why the windows are not going up. The window switches at each door are also not responsive but the power locks are.
Thursday, November 21st, 2024 AT 2:30 PM


