Monday, October 5th, 2020 AT 7:02 PM
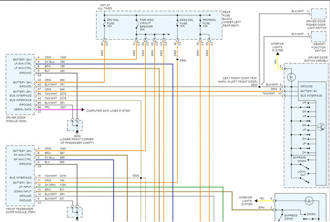
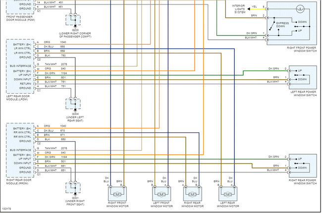
I replaced the window regulator in both back doors. Because neither worked nor the front passenger window. After replacing both ones, still didn't work. I have power going into the body door module but wires coming out with power. I can roll the windows up and down, by touching the right circuit in the door module. So would the module be bad or is something else? The front passenger window will work doing the same thing.






