Pass-lock bypass

2005 CHEVROLET COLORADO
283,000 MILES • 3.5L • 5 CYL • 2WD • AUTOMATIC
Avatar
CLAY FONTENOT2
  • MEMBER
  • 18 POSTS
When i go to start my truck i put the key in the ignition and try to start it nothing happens. it doesn't turn to try and start. all my dash lights come on and a car with a padlock shows up on my dash.
Aug 20, 2020 at 10:11 AM
Repair Safety Notice: This information is for general instructional purposes only. Vehicle repair can be dangerous. Verify all information, follow manufacturer service procedures, use proper tools and safety equipment, and consult a qualified repair shop when needed.
Advertisement
Avatar
KASEKENNY
  • AUTOMOTIVE REPAIR CONTRIBUTOR
  • 18,907 POSTS
Unfortunately there is no way to bypass this system. There are companies out there that say they can wipe your modules so this system is not active but I have not had success with this option.

I have found the best option is to figure out what the issue is and just fix it. I would suggest starting with checking for codes and then we can go from there. If there are codes then clearly that will point us in the right direction. If not, then we may need to just turn the key on in the ignition and let it sit for 30 minutes. Sometimes the system just locks you out and it requires this time out procedure.

Let me know what you find. Thanks

https://www.2carpros.com/articles/checking-a-service-engine-soon-or-check-engine-light-on-or-flashing
Aug 20, 2020 at 1:05 PM
Advertisement
Avatar
STEVE W.
  • AUTOMOTIVE REPAIR CONTRIBUTOR
  • 15,146 POSTS
When you turn the key what does the security light do? Flash or stay on steady. If it flashes with the key in or while trying to start the issue is related to the key, either it is not being recognized or is a bad key. If the light stays on steady while the key is in and you try to start it then there is a failed part in the passlock system itself, not related to the key.
Both will usually set a code in the security system to guide you to the fault.
As said above, the bypass options usually don't work and can do more damage than they help.
Aug 20, 2020 at 4:22 PM
Avatar
CLAY FONTENOT2
  • MEMBER
  • 18 POSTS
Okay, that's very helpful the light stays on when i turn the key.
Aug 20, 2020 at 6:51 PM
Avatar
KASEKENNY
  • AUTOMOTIVE REPAIR CONTRIBUTOR
  • 18,907 POSTS
Good point Steve. If the light stays on when your turn the key then as Steve said, you have a hard fault in the system and there should be codes to go with it.

Best thing is to get it scanned and we can go from there.
Aug 20, 2020 at 7:57 PM
Avatar
STEVE W.
  • AUTOMOTIVE REPAIR CONTRIBUTOR
  • 15,146 POSTS
Okay, in that case and that it doesn't turn over when you turn the key I'm thinking it's the ignition switch or the housing itself that are the issue. If it was only the pass-lock system the light would stay on but the engine would turn over, pass-lock turns off the fuel pump only, it doesn't disable the starter. Inside the switch housing are a few plastic pieces that move as the key moves the internals, they tend to break and create problems. They are a common failure item. I prefer to use the OEM parts but there are some available after market. The biggest issue is that replacement key switches are only available as a complete housing switch, this is due to the internal parts being an issue.
There are a couple other issues to replacing it though, one is that once it is changed you need to reprogram that new part into the system using the 30 minute method. The other is that most of the upper part of the column has to come apart and the steering wheel removed to get into the housing if it is the failure item. This is a video on the process if you wish to do see what the job is like:
https://www.youtube.com/watch?v=JXkXuz1yuf8

The first part of the video covers testing if you wish to do that as well.
Aug 20, 2020 at 9:32 PM
Avatar
CLAY FONTENOT2
  • MEMBER
  • 18 POSTS
Okay, so i replaced the pass-lock the black plastic piece, now the symbol is blinking when i turn the key.
Aug 21, 2020 at 12:06 PM
Avatar
STEVE W.
  • AUTOMOTIVE REPAIR CONTRIBUTOR
  • 15,146 POSTS
Try the 30 minute relearn process in the video. It's in the image below. This is because that piece is now wrong in the eyes of the system and need the relearn performed.
Aug 21, 2020 at 4:02 PM
Avatar
CLAY FONTENOT2
  • MEMBER
  • 18 POSTS
I tried that and still nothing. i also changed the whole ignition switch and then did the 30 minute thing and still nothing.
Aug 21, 2020 at 5:18 PM
Avatar
STEVE W.
  • AUTOMOTIVE REPAIR CONTRIBUTOR
  • 15,146 POSTS
The light is flashing correct not on solid? Does it now turn over? If so you will need a scan tool to program in the new reader, the 30 minute usually works but I've had a few that were temperamental about that method.
Aug 21, 2020 at 6:17 PM
Avatar
CLAY FONTENOT2
  • MEMBER
  • 18 POSTS
Okay, what exactly do i need to get and what exactly do i need to do with what i have to get? lol and thanks for helping me with the issue by the way.
Aug 21, 2020 at 7:32 PM
Avatar
CLAY FONTENOT2
  • MEMBER
  • 18 POSTS
And it's still not turning over with the key. i can turn it over under the hood.
Aug 22, 2020 at 7:20 AM
Avatar
STEVE W.
  • AUTOMOTIVE REPAIR CONTRIBUTOR
  • 15,146 POSTS
If the light is flashing but it isn't turning over with the key then you have two problems. One is the key isn't recognized which the relearn procedure or a scan tool can correct. The other is that there is still an issue with the ignition switch power, which is likely also why the relearn isn't working, it sounds like the body control module isn't getting the signal from the switch telling it to start.
You say you can get it to crank under the hood, Are you doing that by jumping the relay? If so and you leave the key on, does it run a couple seconds and shut off? If it only cranks without trying to start the problem is more likely the run circuit from the switch not sending power. That circuit also tells the fuel pump to turn on and prime. To see if it may be the issue you can go to the run relay in the same box under the hood. See if you can jumper it and try to start it. Also check the IBN Trans D fuse (10am) in the same box for power.
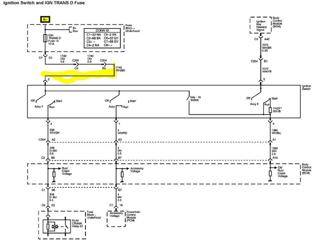
I attached the switch wiring functions below.
Pin 1- Battery voltage in accessory and run positions
Pin 2- Battery voltage constant
Pin 3- Battery voltage in run or start positions

Pin 4- Battery voltage with only key in, 5 volts with key in run position. Less than 5 volts volts in the start position. This is the signal for the key reader having the correct key.
Pin 5- Bias voltage from BCM - 5 volts

To test these you leave the connector in place but use a pin to probe the connections in place for the correct voltages.
In the above video that testing is in the first 6 minutes. If you have the correct voltages in each position then the issue is not in the switch now and is in the relays or wiring.
Aug 22, 2020 at 11:45 AM
Avatar
CLAY FONTENOT2
  • MEMBER
  • 18 POSTS
Okay, i will check all that and yes i get it to turn over from the relay but it does not crank just spins over. also i went out and bought a scanner tool. i will try these things and get back with you.
Aug 22, 2020 at 11:57 AM
Avatar
CLAY FONTENOT2
  • MEMBER
  • 18 POSTS
I'm getting 11 volts on all, but the last i am getting 3 volts at the plug.
Aug 22, 2020 at 12:41 PM
Avatar
CLAY FONTENOT2
  • MEMBER
  • 18 POSTS
I'm sorry, the last two i'm getting 3 volts and 1 in all the others.
Aug 22, 2020 at 12:44 PM
Avatar
CLAY FONTENOT2
  • MEMBER
  • 18 POSTS
Okay, so i got it to start by jumping the relay but then it shuts off right away.
Aug 22, 2020 at 2:39 PM
Avatar
STEVE W.
  • AUTOMOTIVE REPAIR CONTRIBUTOR
  • 15,146 POSTS
Check the battery voltage, the first three should be the same voltage as the battery as they are fed directly from it. If not then check the battery connections and grounds. GM grounds to the back of the engine and they can break or corrode. That would drop the voltage down and make the system temperamental. Toss a charger on it and see if you get the same voltage at the switch as at the battery.
The shutting down fast is due to the unrecognized switch it means that once the no crank is repaired it should start, and it will also complete the relearn.
Aug 22, 2020 at 4:04 PM
Avatar
CLAY FONTENOT2
  • MEMBER
  • 18 POSTS
Okay, I will check that. i got it starting well turning over with the key should i say, but it will turn over with the key like 3 or 4 times then it wont do it anymore.
Aug 22, 2020 at 4:18 PM
Avatar
STEVE W.
  • AUTOMOTIVE REPAIR CONTRIBUTOR
  • 15,146 POSTS
You mean the key will work but only a few times then it stops working? When it stops working what happens when you turn it, clicking? Nothing? If you have someone turn the key after it stops can you feel the relay clicking? That sounds like a bad or corroded connection in any case. They will act that way.
Aug 23, 2020 at 3:27 AM
Avatar
CLAY FONTENOT2
  • MEMBER
  • 18 POSTS
Yes, when turn the key it clicks from the fuse box one time. what connection do you mean?


Aug 23, 2020 at 9:09 AM
Avatar
CLAY FONTENOT2
  • MEMBER
  • 18 POSTS
Also i was just looking around the truck and found a burnt plug under the passenger side like under the glove box.
Aug 23, 2020 at 9:10 AM
Avatar
STEVE W.
  • AUTOMOTIVE REPAIR CONTRIBUTOR
  • 15,146 POSTS
Well, that isn't a good thing, but it's connections like that that I mean. For instance there are at least 5 connections before the signal from the switch gets to the starting relay to make it click. One of those goes into the instrument panel harness, the next is under the dash on the passenger side going to the body control module. If another feed was on a wire next to it and got hot it could cause a problem.
Aug 23, 2020 at 1:52 PM
Avatar
CLAY FONTENOT2
  • MEMBER
  • 18 POSTS
Man this is getting frustrating! what would be the best thing for me to do?
Aug 23, 2020 at 6:39 PM
Avatar
STEVE W.
  • AUTOMOTIVE REPAIR CONTRIBUTOR
  • 15,146 POSTS
Yeah, it can get that way quick. About the only way to find it would be to either trace the wire harness and look for damage or bad connectors. You might try a jumper wire from the start pin on the switch over to the correct pin on the body control module, that would bypass the connections. If it works every time you would know where the problem is. If not there then From the BCM out to the relay. Or if you could get a good scan tool on it you might be able to watch the switch modes to see if the BCM shows the start signal every time. Another possibility would be to see if a locksmith in your area could use their tools to do the relearn and at least eliminate that part of the problem, that would leave just the hunt for the starting issue.
Aug 23, 2020 at 7:22 PM
Avatar
CLAY FONTENOT2
  • MEMBER
  • 18 POSTS
Oh, that's what I will do. I will be in touch.
Aug 23, 2020 at 7:35 PM
Avatar
STEVE W.
  • AUTOMOTIVE REPAIR CONTRIBUTOR
  • 15,146 POSTS
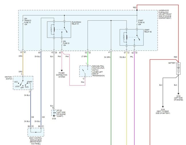
No problem. It can get to be a real pain trying to find issues in modern wiring. Things that should be simple get run through computers and modules and make it much harder. The attached are the wiring diagrams for the starting circuit.
Aug 23, 2020 at 8:18 PM
Avatar
CLAY FONTENOT2
  • MEMBER
  • 18 POSTS
Hey man how's going? okay, so now that i got the hurricane out the way i think i did some good; i have got it to where when i turn the key to the on position the pass-lock light is on but when turn the key still nothing happens, but the light goes off.
Aug 28, 2020 at 10:41 AM
Avatar
STEVE W.
  • AUTOMOTIVE REPAIR CONTRIBUTOR
  • 15,146 POSTS
Okay, that means it at least is seeing the key as valid. Now we need to figure out why the switch start signal isn't getting to the relay. For that, verify that the start pin 3 on the switch is sending battery voltage when you turn it to start. If it does then go to the Body Control module and verify that the same signal is there on pin B8 in connector2 If it is then great, if not then that wire is open someplace. If it's good then check pin B6 in connector number 1 for the same signal. If its there good, if not then the BCM has an internal problem as they should be linked. From there it goes out to the start relay. If no signal at the relay the wire has an issue.
Aug 28, 2020 at 1:49 PM