Monday, July 17th, 2023 AT 8:26 PM
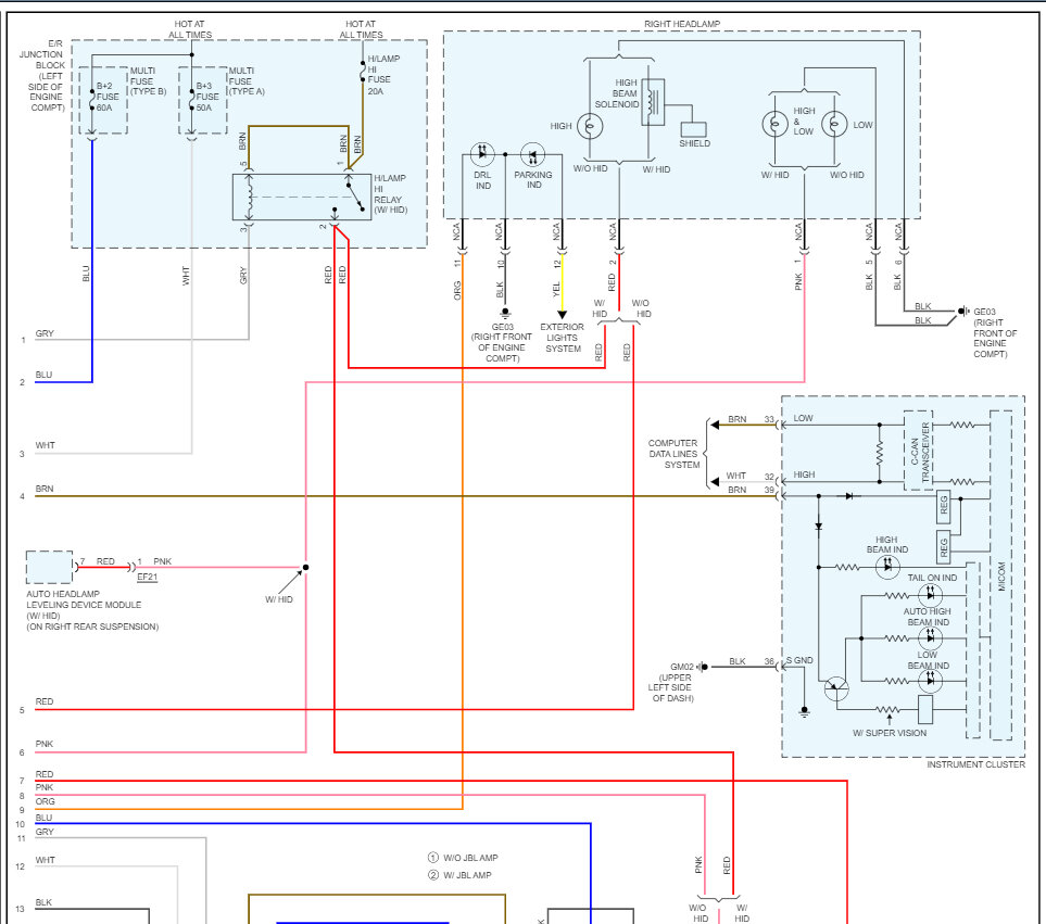
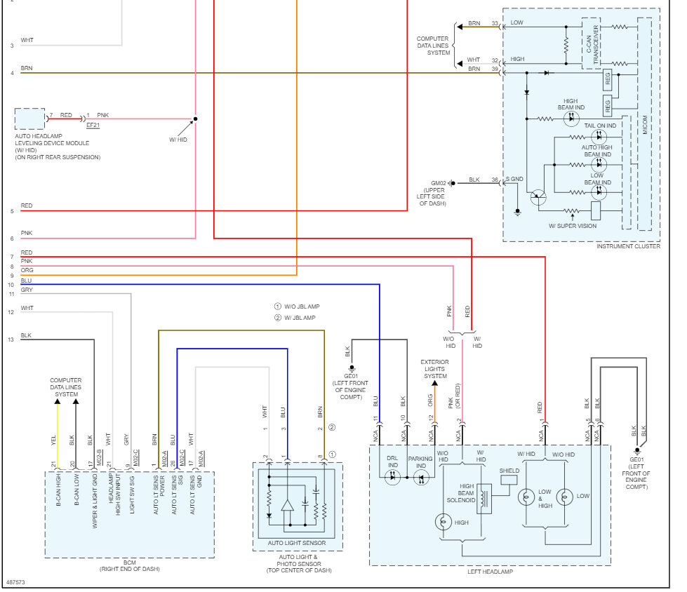
My headlight stopped working the other lights work turn signal and daytime lights. We have already changed the ballast and the bulb and that did not work. We plugged the left headlight into the right headlight, and it worked so we have narrowed it down that it is something inside the headlight assembly itself. Any ideas because a used assembly is 700 dollars. Also, they are the HID headlights which aren’t common and hard to find. Thank you













