Thursday, May 6th, 2021 AT 2:30 PM
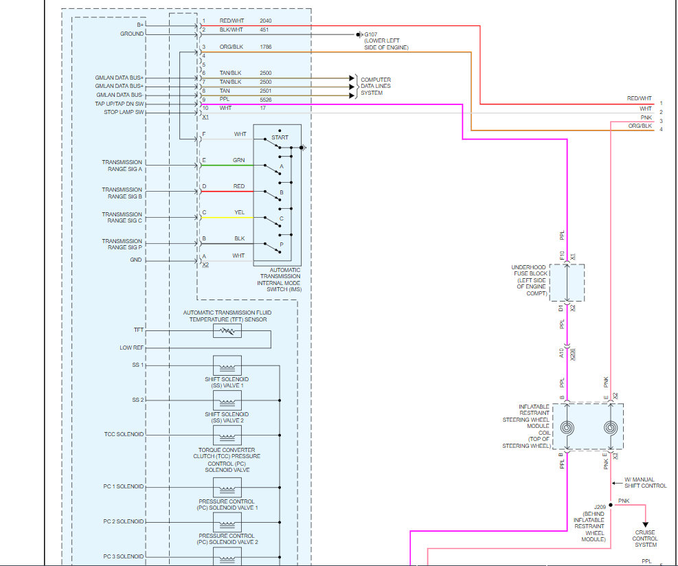
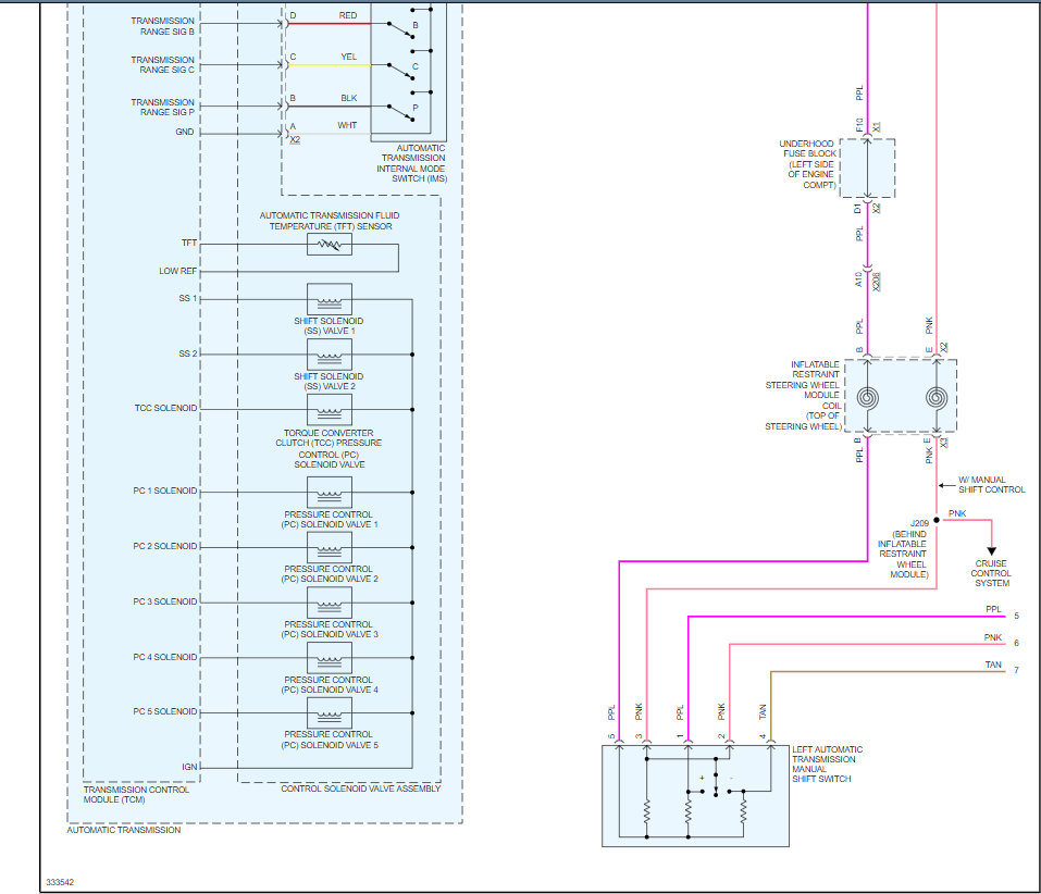
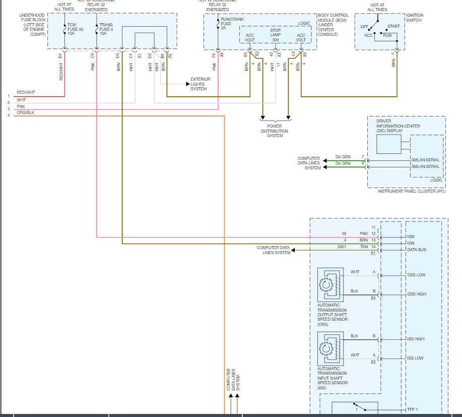
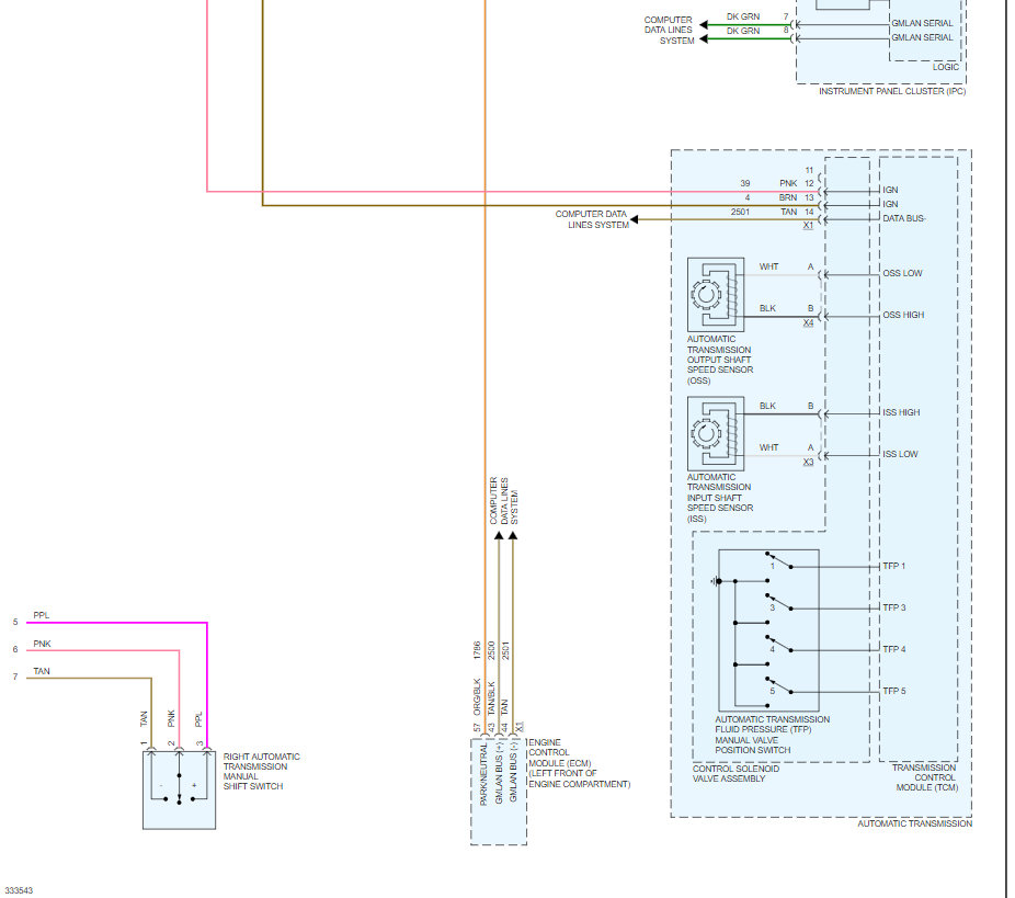
I have those two codes. I’ve changed out the TCM and pressure and cooling lines still will have the vehicle driving normal but at random times mainly in low gear it will get stuck in limp mode. Everyone tells me to change transmission, mine doesn’t have 100 on it and I don’t want to put a new one in so could I just change out the valve body and that solve the problem?




















