New water pump.
New thermostat.
New distributor/button.
New wires/plugs.
New knock sensor tests correct at idle from cold start.
New pigtail, and wire, test correct.
New intake gaskets.
New oil filter/oil.
Four new hoses.
New muffler.
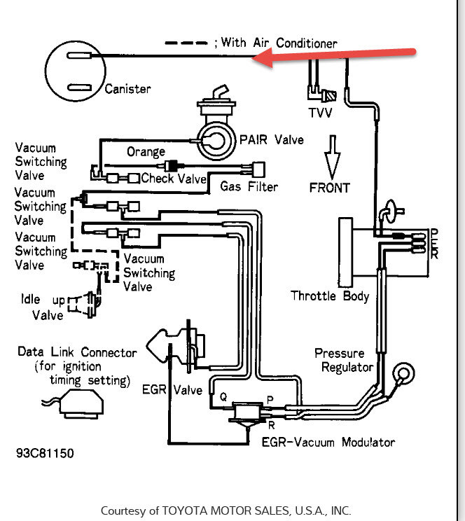
Yes, there is still a vacuum leak whistle during driving, not found it yet.
Overdrive light flashes on and off when transmission acts up. From a complete stop it looses acceleration. Intermittently. Assuming a vacuum leak.
Once truck reaches driving temperature code 52 knock sensor.
Idle and high idle, no code.
Tonight heard a ting/ping noise at high temperature once coded. Cannot locate it yet.
Any ideas?
Tuesday, April 11th, 2017 AT 2:58 AM
