Sunday, March 6th, 2022 AT 3:14 PM
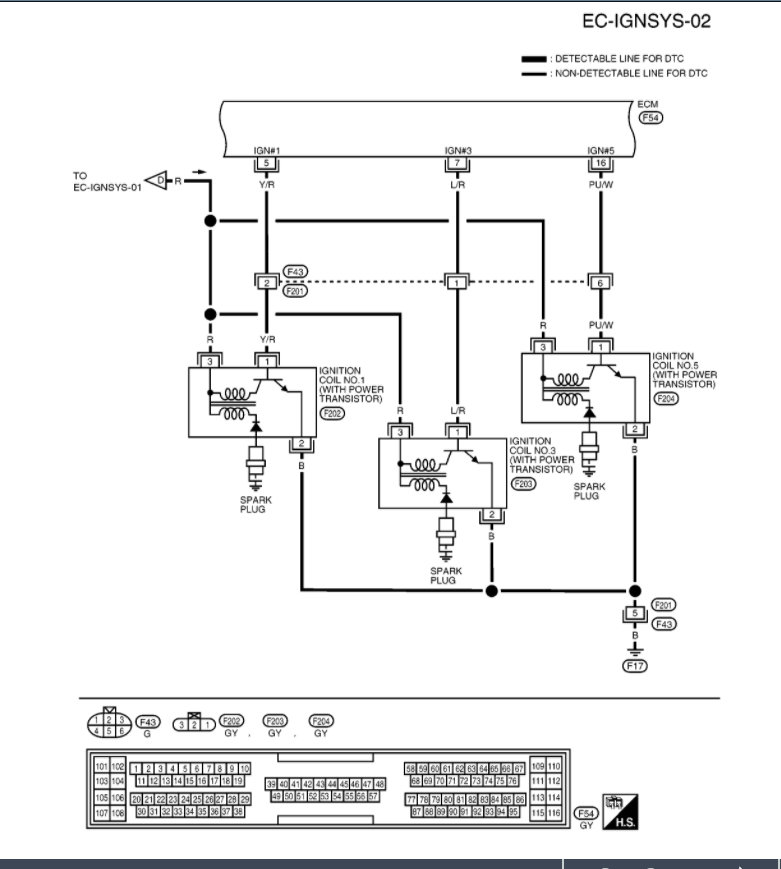
I have replaced the camshaft position sensors, and the coil condenser as it was not looking too good. Checked the crankshaft sensor and it appears too good. Went one more step and replaced it with a known good one from a 2003 Pathfinder. Mine works fine in the Pathfinder. Still no spark in the car listed above.




