Sunday, November 29th, 2020 AT 2:18 PM
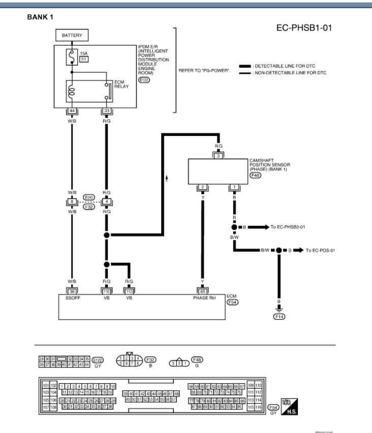
Hi. Any help is greatly appreciated. I tested the cam sensors for 12 volt and ground and I have both. Cam sensor is new and the resistance tests okay. But when I test the signal wire and turn the engine over by hand all I get is 10 volts. Off signal. It never switches to 0 volts. Both cam sensors do this. Cam sensor is from AutoZone and as I have learned they need to be OEM. So is it that these sensor just don't pick up the cam?







