Wednesday, May 6th, 2020 AT 11:29 AM
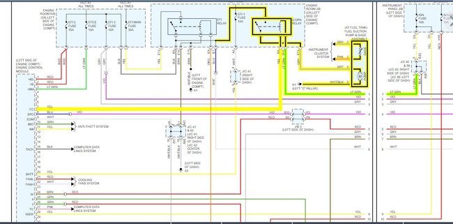
My fuel pump is not getting any power, neither with ignition on or when I’m trying to start my car. If I got wire the grey wire to the fuel pump the car starts perfectly.I need help restoring power to my fuel pump the right way. I am not comfortable with jumping the the fuel pump.





