Wednesday, March 23rd, 2022 AT 7:38 AM
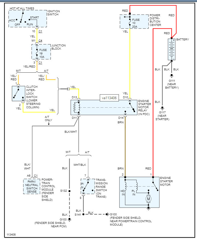
Change the alternator, new battery, just put a starter on and it started fine for a few times. Now when I turn the key, I have power, all the lights work, everything works but it doesn't crank over, it doesn't make any sound. Checked the neutral safety switch that's fine. When I jump the starter, it runs fine for a little bit until it gets up to temperature then it revs high, and the temperature gauge drops to zero. At a loss for what could be possibly wrong. Help please.


