Wednesday, March 25th, 2020 AT 12:20 PM
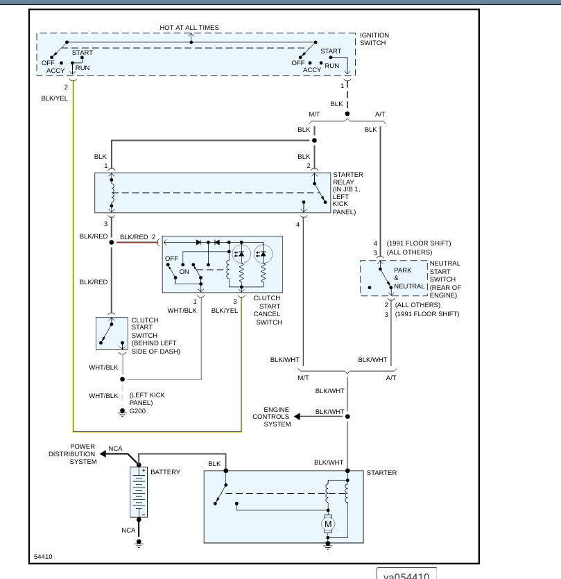
I do have headlights and hazard lights but also no turn signal lights. I have a brand new battery. I put the key into the ignition and nothing, not even the check engine light comes on. Appears no power to the ignition switch. How can I test the fusible link/80 amp fuse coming from the fuse box under the hood? And would this be an option if I am not getting any power to my ignition switch. I have a multi-meter but not certain what to put it on or a test light and also how to test the ignition switch from the switch itself to see if it has gone out. I am also not getting any lights on the test light for the fuse box below.






