Sunday, September 19th, 2021 AT 7:41 PM
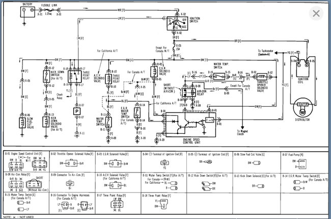
No spark at coil, replaced original which had weak spark and would stall completely after a few revs but then replaced it. Now it wont start I'm starting to think it's the way its wired. It might be incorrect but I can't find a diagram to save my life out here or online. I replaced the plugs, wires, distributor cap and rotor, pick up coil and ICM. What gives?



