Monday, March 30th, 2009 AT 8:26 PM
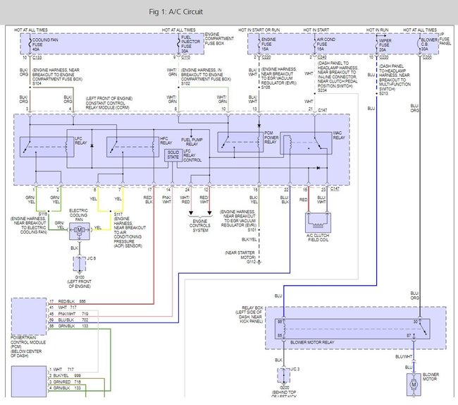
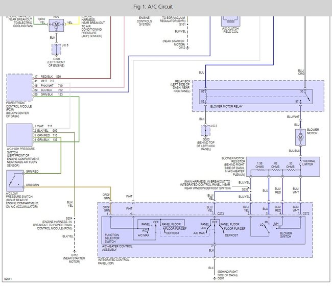
I need the exact location of the Air Condition Clutch relay that powers the the blue and white wire. The blue wire with a white tracer has no power. There is some pressure when the low pressure switch is jumped. I cannot get the AC clutch to engage. I have the diagram you sent. I need to exactly where is the relay? If I needed to put a dot of blue paint on the AC relay switch. Where do I put the bristles? Is it part of the computer. In the dash? Thanks







