Thursday, March 29th, 2012 AT 12:01 AM
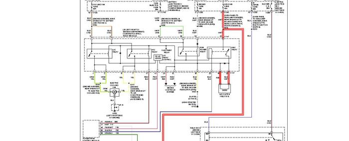
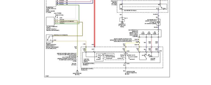
I have a 1999 mercury tracer the a/c comp. Would not come on I just put in a new relay control module in it now the comp. Will not shut off.



