Tuesday, April 7th, 2009 AT 1:28 PM
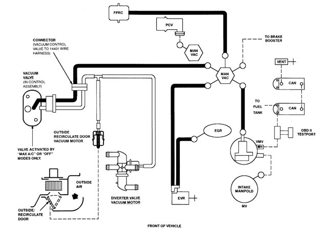
On the rear driver side of the intake manifold is a T shaped vacuum line valve. On goes to the rear of the engine and the other looks to go to the front along the fuel lines. The truck was running fine then I got I to drive and it sounded like a very bad vacuum leak. I do not know where this line went as I dont see anything hanging. Also now when turning left or right my steering wheel shudders a little. Does this line go to the power steering or what? No manuals I can find show a diagram showing where this line goes. Please Help.


