This appears to be a common problem based on the internet complaints but I have not found a common remedy.
Any thoughts or suggestions would be appreciated.
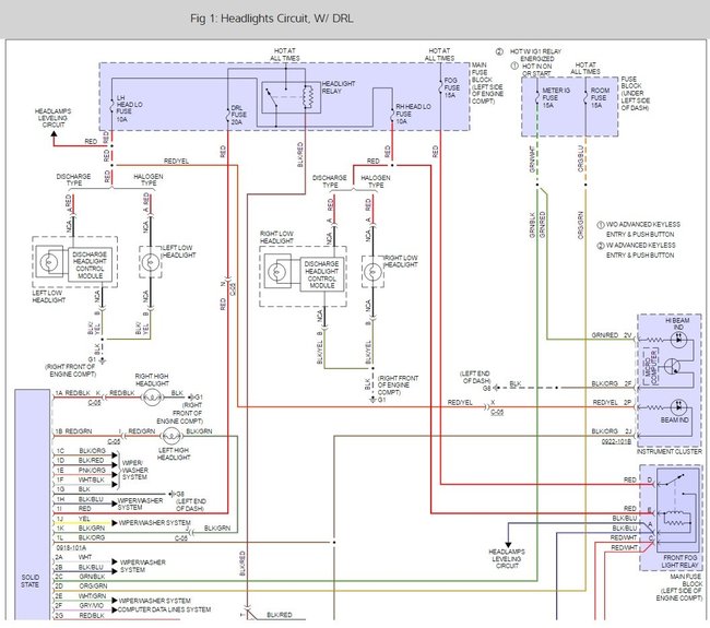
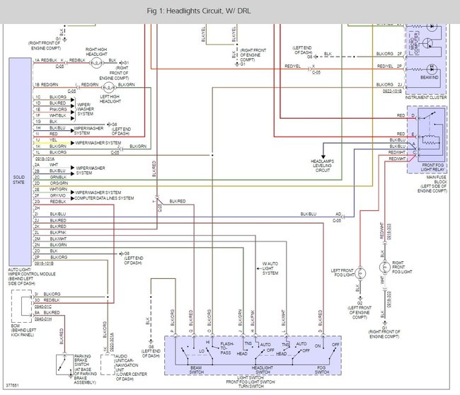
Where is the ground located, to check it? Is there a relay that can be checked easily?
Tuesday, April 11th, 2017 AT 8:55 PM



