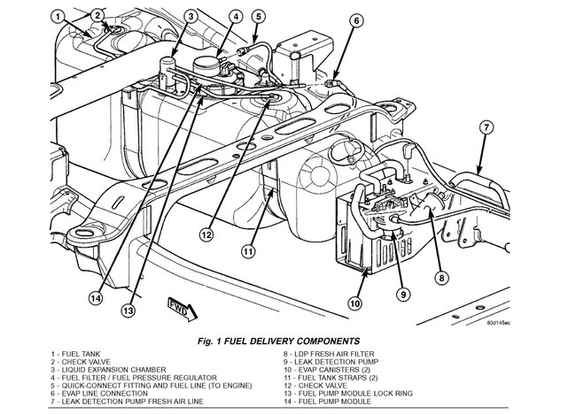
Wednesday, June 9th, 2021 AT 2:24 PM
At 1 St it would run rough and sputter only whenever I would ist start it up on the day but then would start up and run fine the rest if the day. This would happen daily. I bought this truck used and supposedly had a rebuilt engine. Then about six months later all of a sudden it turned over but wouldn't accelerate when gas pedal was pushed instead it would die. It idles. I've replaced many parts since then and nothing has fixed it. Now it will accelerate and but it still dies while driving. Ive changed the battery, starter, ignition coil, spark plugs, various sensors including O2 sensors, fuel pump. Please help. Thank you.







