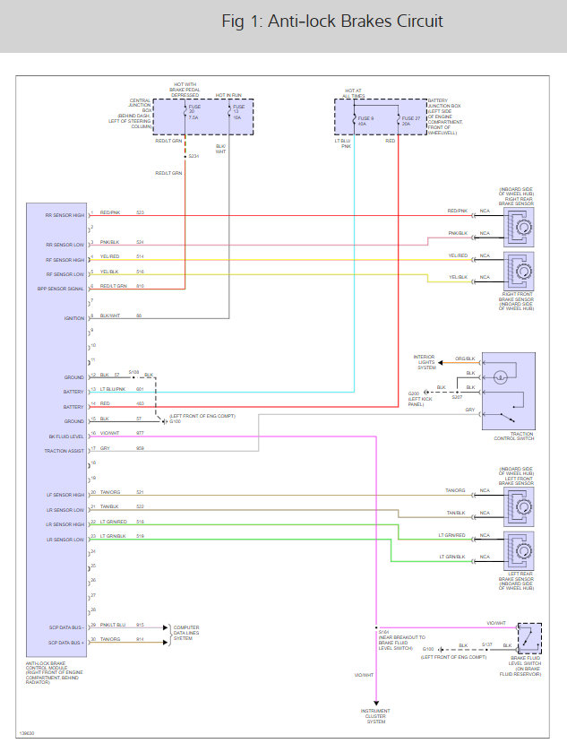
I checked continuity on the wires from the sensors to the end of the abs plug from the rear wheel to the plug under the rear seat also the ohms were the same on the sensors, unplugged cleaned used light electrical grease on pins and connections, I checked all fuses and relay's all okay. Had the car checked it still shows no codes. The problem remains. Any other things I can try? If you can think of anything please let me know thanks for your time.
The very first thing I did was take the wiring harness apart and look for cut burnt or broken wires one wire at a time I checked from one end to the other for continuity and had it, I checked for inline fuses. This I done on all the wires that run across the radiator support and then brake out and go all over. The ABS plug I unplugged and checked from the inside of it to the end of each wire for continuity. I unwrapped all the wires and ran them down and I could not find a problem there, I did this before I ever contacted you. The plug in on the abs seems to slide over the pins real easy so I tightened up the female plugs and put a thin amount of electrical grease on them and plugged it back in and slid the grey plastic lock back and checked it still the same problem. So far I have spent for a real amount of time maybe two hundred hours working on this problem. I am also a decent mechanic but this is out of my league that is why I contacted you. What do you think the problem is in your mind?
I am drawing a blank as far as thoughts, What I cant understand is it is picking the code up for a tenth of a second so it is reading the codes, Stop me if I am wrong, now when it is reading the codes it is impossible to check the speedometer that fast but at least I know the information center is reading the information but not retaining it. Now the fellow I had check the codes, I dint hang around and watch him but he told me that he checked for B and C Codes he charged me $50.00 so I hope he done something for his money. What exactly would the B and C codes tell you anyway? I hate to change the ABS module but I will, I just have never been much for eliminating the problem by changing parts till it was fixed it is very costly. I could always put a bicycle speedometer on it ha ha just kidding. I meant to tell you the car was in a front end collision before this happen, it blew the steering wheel airbag but all I had to do is replace the front bumper. The radiator and support was all fine. Can a small collision or a hard jar make the ABS go out? Does this help at all to help diagnosis the problem. Is there any quick fix or trick you know that will let me know if the ABS is the problem. I thought of jumping all the wires out one at a time because even though I am getting continuity does not mean much. It could be just one strand of wire making contact you know what I mean. If this was your car what would you do at this point? Thank you for your time and answer's.
Thank you!
Help please!
Monday, November 5th, 2007 AT 9:55 AM












