Sunday, March 14th, 2021 AT 9:31 AM
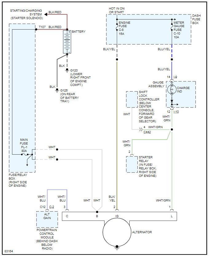
I've had this vehicle for about going on three years I got a good price. He ran well when I got it it still runs well the only problem is that it keeps discharging and I've changed the battery, have changed the alternator, I've changed all belts, I've changed the fan and the fan clutch. The reason for that is because my alternator will not charge unless the fan kicks in. And the past year-and-a-half I've gone through two alternators and two batteries. Maybe someone can help me with this. I'm open to all suggestions. Thank you


