Thursday, January 17th, 2008 AT 8:15 AM
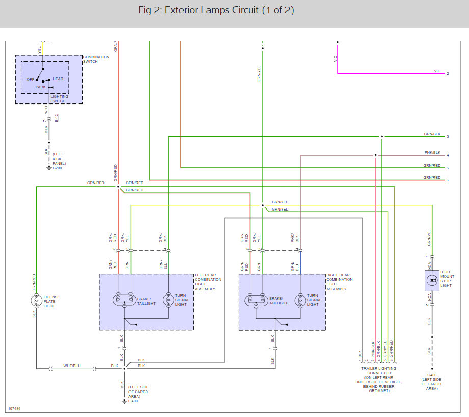
My driver side rear brake light does not work when I push on the brake. It will come on when I unlock my vehicle ( it blinks twice) with the remote and when I have the parking brake on but if I am driving and I stop it does not come on. The other brake lights work fine. What could be causing this and how can I fix it?





