Saturday, September 14th, 2024 AT 6:35 PM
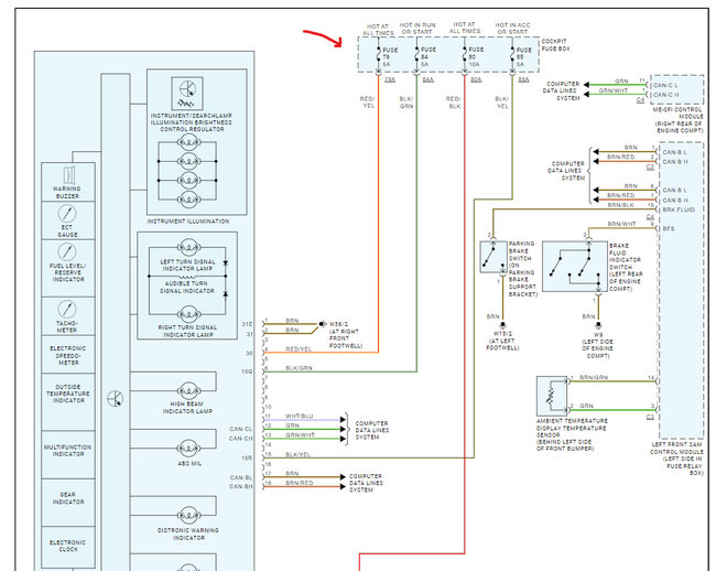
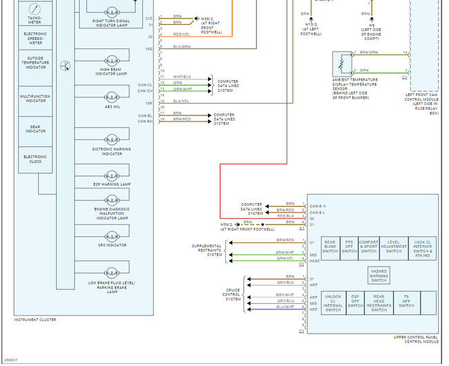
I was driving and my instrument cluster just stopped working. Didn't light up, all of the gauges worked except my speedometer which was stuck at 40 mph, I just couldn't see them. So, I checked the fuse box and sure enough the fuse for the cluster was blown. So, I replaced that and now the fuse is brand new, and the speedometer works again, so all the gauges are working, but they still won't light up and I can't see them at night. Also, the check engine light is on now, but it happened when I changed the fuse so I'm hoping it's got to be because the clusters having issues.






