Sunday, October 30th, 2022 AT 2:25 PM
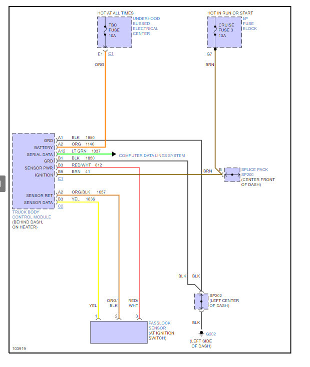
And the fuel pump kicks on but won't start. I think the fuel injectors don't kick on because of the passkey safety deal. But when I insert the key and move to the acc the fuel pump kicks on and as I move the key to the on position before cranking it, you could hear the fuel pump buzzing go down, like if voltage goes down and doesn't give it the proper volts to kick on. There is good fuel pressure but no fuel from the injectors. I believe the switch to be the culprit, the security deal reads something wrong, so it won't let injectors come on. I opened the alarm switch that goes connected on top of switch housing and accidentally dropped the spring inside making me lose the way the 2 wires go. I don't know if the green goes on top or the brown wire. Please help, I'm going to remove all switch housing from a 98 blazer with the computer module, so it can read proper resistance, are there any diagrams or instructions as to how to remove and install? I bought a Haynes repair manual and it does not show me anything at all about how to repair it. Any help is greatly appreciated. 8th letter in vin being x. Thank you






