My engine does not crank over - starter not working?

2003 FORD RANGER
93,000 MILES • 3.0L • 6 CYL • 2WD • MANUAL
Avatar
STEVEMCK
  • MEMBER
  • 2 POSTS
Engine will not turn over, beeping on key insertion.
Aug 21, 2019 at 7:20 AM
Repair Safety Notice: This information is for general instructional purposes only. Vehicle repair can be dangerous. Verify all information, follow manufacturer service procedures, use proper tools and safety equipment, and consult a qualified repair shop when needed.
Advertisement
Avatar
STRAILER
  • AUTOMOTIVE REPAIR CONTRIBUTOR
  • 54,178 POSTS
Hello,

It sounds like the security system in engaged which can be from a bad battery here is a guide to help test and a guide to help you reset the system.

https://www.2carpros.com/articles/car-battery-load-test

and

https://www.2carpros.com/articles/how-to-reset-a-security-system

Please run down these guides and report back.
Aug 20, 2020 at 10:55 AM
Advertisement
Avatar
STEVEMCK
  • MEMBER
  • 2 POSTS
Thanks Ken, We disconnected the battery for a half hour, reconnected the battery and the engine turned over and fire right up.
Aug 20, 2020 at 10:55 AM
Avatar
STRAILER
  • AUTOMOTIVE REPAIR CONTRIBUTOR
  • 54,178 POSTS
Nice work, we are here to help, please use 2CarPros anytime.
Aug 20, 2020 at 10:55 AM
Avatar
FCANDELARIA
  • MEMBER
  • 14 POSTS
2003 ford ranger 4wd 4.0l automatic, wont start. clicking sound (0ne click) only. new battery With 12.6-12.8 volts standing charge, drops to about 11.5 or below when attempting to start, but recovers back to 12.5 shortly thereafter. Fuse to starter is okay. Starter relay was exchanged with another relay and seems to be a good relay. I jumped pin#30 and #87 on that relay and only clicked again. Starter taken off and benched checked.both solenoid and motor worked fine. Taken to autozone and had them check it out, and passed. I bought a neutral safety switch, and a starter switch and installed both with no results. I even checked to see if by chance the engine seized, but I was able to turn the crank with a breaker bar with little resistance.I have 12.6v at the power side of the starter, but only a surge of about 6to8v at the service side for less the a second when my wife turns the key to start. I can't think of any thing else that would cause it to not start. I don't know the amount of volts the service side (small wire) at the starter should normally have and for how long. I'm sure this is the problem but I don't know how to proceed from here.
Mar 8, 2021 at 1:21 PM (Merged)
Avatar
FCANDELARIA
  • MEMBER
  • 14 POSTS
Thanks much...I found the problem.....it was a loose wire close to the starter that I wouldn't have found if it wasn't for your (spit in your face drill sergeant treatment) that I ultimately needed. You saved me a ton of $ from having an auto repair garage diagnose the problem......thanks again.....fcandelaria
Mar 8, 2021 at 1:21 PM (Merged)
Avatar
TCJEFFRIES
  • MEMBER
  • 2 POSTS
I cleaned the battery terminals and replaced a bolt on one terminals. Now my truck won't start. I put a battery charger on it and the charger says it is fully charged.
Mar 8, 2021 at 1:21 PM (Merged)
Avatar
JACOBANDNICKOLAS
  • AUTOMOTIVE REPAIR CONTRIBUTOR
  • 110,190 POSTS
Do you get power to any of the accessories, lights...? Does the starter work?
Mar 8, 2021 at 1:21 PM (Merged)
Avatar
TCJEFFRIES
  • MEMBER
  • 2 POSTS
Yes, I had lights and the battery tested good. I went ahead and took the battery out and had it tested again. Only had 7 amps cranking power. Put in new battery. Works fine.
Thanks.
Mar 8, 2021 at 1:21 PM (Merged)
Avatar
JACOBANDNICKOLAS
  • AUTOMOTIVE REPAIR CONTRIBUTOR
  • 110,190 POSTS
That will do it. Glad you got it fixed. Let us know if you have questions in the future, and thanks for using 2carpros.com.

Joe
Mar 8, 2021 at 1:21 PM (Merged)
Avatar
DUSTMAN78
  • MEMBER
  • 1 POST
I have to move the shifter over to park pretty hard. worked for awhile, now nothing.
Mar 8, 2021 at 1:24 PM (Merged)
Avatar
KASEKENNY
  • AUTOMOTIVE REPAIR CONTRIBUTOR
  • 18,907 POSTS
This is one of two things. Either the transmission range sensor is faulty causing the PCM to not see the vehicle in park. Or the shift cable is stretched.

Either way, it is the same issue happening which is the PCM needs to see the vehicle in park or neutral in order to allow it to start. If the TRS is faulty then it doesn't recognize when it is in park. If the linkage is the issue then the transmission is not actually fully in park and the TRS is accurate.

I suspect the sensor is the issue so I supplied the testing for it but also the replacement for the linkage if that checks out okay. This guide can help us fix it

https://www.2carpros.com/articles/starter-not-working-repair

Please run down this guide and report back. Let me know what you find. Thanks
Mar 8, 2021 at 1:24 PM (Merged)
Avatar
JSCOTTJR
  • MEMBER
  • 1 POST
New battery, new ignition lock, new ignition switch, new starter, fuses and relays good. still won't start.
Mar 8, 2021 at 4:43 PM (Merged)
Avatar
JACOBANDNICKOLAS
  • AUTOMOTIVE REPAIR CONTRIBUTOR
  • 110,190 POSTS
Hi,

If the starter isn't working and turning the engine at all, check to see if it will start in neutral. Also, check fuses 11 under the hood and 24 under the dash. See pic 2. Also, switch the starter relay with another one that you know is good and has the same part number to see if that changes things.

If everything appears good, check to see if there is power to the yellow wire with a light blue tracer at the starter when the key is in the start position. (see pic 3). Also, here is a link that you may find helpful:

https://www.2carpros.com/articles/starter-not-working-repair

Let me know if any of this helps or if you have other questions. Let me know exactly what is happening.

Take care,
Joe
Mar 8, 2021 at 4:43 PM (Merged)
Avatar
JCARTER112
  • MEMBER
  • 1 POST
Truck will not start, no power.
Mar 8, 2021 at 5:20 PM (Merged)
Avatar
JACOBANDNICKOLAS
  • AUTOMOTIVE REPAIR CONTRIBUTOR
  • 110,190 POSTS
Hi,

When you say no power, does anything work? For example, the radio, dome light, radio, headlamps and so on?

If nothing works, first make sure the battery is fully charged and confirm the terminals are tight and clean.

Next, confirm the battery negative terminal is connected to the engine block and to body. Make sure the connections are clean and tight.

If that is good, next check for power at the number 1 fuse in the fuse / relay box under the hood. See pic 1. It is a 50 amp fuse. Also, if the fuse appears good, make sure there is power to it.

Here are a few links you may find helpful when testing:

https://www.2carpros.com/articles/how-to-check-a-car-fuse

I am basing this on nothing working. Let me know if that is different than what happens. Take care, Joe
Mar 8, 2021 at 5:20 PM (Merged)
Avatar
DANIEL MCCULLOUGH
  • MEMBER
  • 7 POSTS
Sometimes it would start sometimes it won't. I've check the positive and negative cable for the battery, no erosion. replaced the starter, tightened the bracket at the bottom of the steering column for shifter cable. I messed with the neutral safety switch and got it to start and continued to start for a couple week's. Then it started not to start again. So I replaced the neutral safety switch and fired up every time for about 20 times. The owner got up the next morning for work truck fired up he stopped at QT came out truck fired right up. He worked all day gets in the truck to go home and again didn't want to start. Got power all the lights work just not starting. I go to his work and mess with the safety switch for a good HR and still nothing. Now there is a bushing in the steering column that totally wore itself to nothing. Surely that's not causing it not to start. After the neutral safety switch I'm not sure what the next step would be. Any advise would be appreciated.
Mar 8, 2021 at 5:20 PM (Merged)
Avatar
SCGRANTURISMO
  • AUTOMOTIVE REPAIR CONTRIBUTOR
  • 4,897 POSTS
Hello,

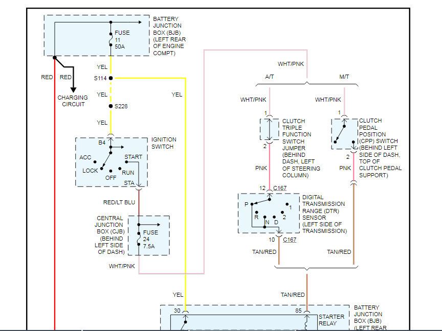
In the diagrams down below I have included a wiring diagram of your vehicle's starting circuit. The first component I want you to check is a component called the Clutch Triple Function Switch Jumper, which I have included it's location in the diagrams down below as well. With a helper turning the ignition key please take a voltage reading at each side of the component and get back to us with what you are able to find out. We can go from there.

Thanks,
Alex
2CarPros
Mar 8, 2021 at 5:20 PM (Merged)
Avatar
RONTWOHAWKS
  • MEMBER
  • 1 POST
Electrical problem
2002 Ford Ranger 6 cyl Four Wheel Drive Manual

I went to start the truck after moving it to the back yard. When I went to move again it wouldn't start. Replaced the starter relay switch, no change. Have accessories when turning the key back but turn to start it and everything dies. Ignition switch? If so, how hard to change?
Mar 8, 2021 at 5:21 PM (Merged)
Avatar
JACOBANDNICKOLAS
  • AUTOMOTIVE REPAIR CONTRIBUTOR
  • 110,190 POSTS
Chances are the starter is the problem. Try this. Have a helper turn the key to the start position while you check for power to the smaller wire on the starter. You should get 12+ volts to it. Check that and let me know what you find. Also, before doing that, make sure the battery terminals are clean and tight and the battery is good.

Let me know what you find.

Joe
Mar 8, 2021 at 5:21 PM (Merged)
Avatar
DUDLEYWARD
  • MEMBER
  • 1 POST
when i try to start the vehicle , turn key to on, all dash lights come on as they should, then as I go to start the vehicle all lights on dash go out and no starter action... Then if I go out and open and close hood a couple of times with a bang then the lights will come on again and when I try to start it starts????? This seems to act up more so when we have damper weather ...... Also it doesn't do it all the time??? Any suggestions on what to look for.... Thanks Dw
Mar 8, 2021 at 5:21 PM (Merged)
Avatar
CJ MEDEVAC
  • AUTOMOTIVE REPAIR CONTRIBUTOR
  • 11,004 POSTS
This guide can help us fix it

https://www.2carpros.com/articles/starter-not-working-repair

Please run down this guide and report back.
Mar 8, 2021 at 5:21 PM (Merged)
Avatar
JIMEL48
  • MEMBER
  • 32 POSTS
Everything was fine and went to start truck and nothing happened. Main wire to starter shows 14 volts. Solenoid wire shows no power but shows it is grounded out. Swapped relays (assumed its good) and checked 7,5 starter fuse (no power). Ran jumper wire from battery to solenoid and the engine cranks but will not start (I believe fuel pump has also shut down). Also have no dash lights.
I had to replace lock cylinder and have transponder key programmed two years ago and I am thinking that transponder key needs to be reprogrammed but I tried the second programmed key and still nothing. What do you think? Thanks
Mar 8, 2021 at 5:21 PM (Merged)
Avatar
ASEMASTER6371
  • AUTOMOTIVE REPAIR CONTRIBUTOR
  • 52,796 POSTS
Good morning,

I attached a wiring diagram for you to view. Do you have a test light or voltmeter to do some testing?

https://www.2carpros.com/articles/how-to-check-a-car-fuse

https://www.2carpros.com/articles/how-to-check-wiring

What wire is grounded?

Do you have a security or theft light? If you do, does it go off after about 10 seconds with the key on?

Roy
Mar 8, 2021 at 5:21 PM (Merged)
Avatar
JIMEL48
  • MEMBER
  • 32 POSTS
Hello Roy,

Thank you for responding to my question.
The wire triggering the solenoid is showing it is grounded (continuity between battery negative post and wire) and is not hot. Checked with voltmeter. Starter wire is getting 12+ volts. No dash lights working except when you turn on there is a very faint instantaneous glow of the theft light (about 0.5 seconds). Do you know if the transponder key needs reprogramming would it automatically ground out the solenoid wire. If not maybe a wire in the ignition switch has chaffed and grounded out. 7.5 fuse is good but shows no power getting to it when trying to crank engine. Again thanks for your time.
Mar 8, 2021 at 5:21 PM (Merged)
Avatar
ASEMASTER6371
  • AUTOMOTIVE REPAIR CONTRIBUTOR
  • 52,796 POSTS
Okay, first, we need to address the 7.5 amp fuse. It needs to have power in the start position only.

Can you verify that? That comes directly from the ignition switch. We need to start there.

Do not worry about anything else at this point.

Roy
Mar 8, 2021 at 5:21 PM (Merged)
Avatar
JIMEL48
  • MEMBER
  • 32 POSTS
7.5 fuse has no power when turning key to start position.
Mar 8, 2021 at 5:21 PM (Merged)
Avatar
ASEMASTER6371
  • AUTOMOTIVE REPAIR CONTRIBUTOR
  • 52,796 POSTS
Okay, then if you looked at the diagram I sent you in the beginning, the ignition switch sends that power. You need to test for output from the ignition switch itself. You may have a bad ignition switch.

The switch is under the dash. Check the wire listed in the diagram I sent for power in the start position.



Roy
Mar 8, 2021 at 5:21 PM (Merged)
Avatar
JIMEL48
  • MEMBER
  • 32 POSTS
Thanks Roy,

It will be this weekend before I can get to the ignition switch. Looking at diagram I will be looking for the red/light blue wire. Also I double checked power at fuse and I am getting 0.04 volts when trying to crank engine. If that matters.
Mar 8, 2021 at 5:21 PM (Merged)
Avatar
ASEMASTER6371
  • AUTOMOTIVE REPAIR CONTRIBUTOR
  • 52,796 POSTS
You need battery voltage at the fuse in the start position.

Keep me updated.

Roy
Mar 8, 2021 at 5:21 PM (Merged)
Avatar
JIMEL48
  • MEMBER
  • 32 POSTS
Hello Roy,

Used test light to check red/light blue and all yellow wires coming from ignition switch when cranking and no power. Checked continuity from red/light blue wire coming out of ignition switch and 7.5 amp fuse and had continuity.
Mar 8, 2021 at 5:21 PM (Merged)
Avatar
ASEMASTER6371
  • AUTOMOTIVE REPAIR CONTRIBUTOR
  • 52,796 POSTS
Okay, then it looks like you have a bad switch. the red/light blue should have power in the start position only.

Roy
Mar 8, 2021 at 5:21 PM (Merged)
Avatar
JIMEL48
  • MEMBER
  • 32 POSTS
Okay, thanks.
One question so that I understand. None of the wires that plug into the ignition switch has any power going in or out. For the ignition switch to put out power as the key is turned where is the power coming into the ignition switch?
Mar 8, 2021 at 5:21 PM (Merged)
Avatar
ASEMASTER6371
  • AUTOMOTIVE REPAIR CONTRIBUTOR
  • 52,796 POSTS
Okay, I attached a diagram for you. The yellow wires are powered by a 50 amp fuse in the under hood fuse block. Check this fuse for power at the fuse.

I also attached a fuse box diagram for the location of the fuse to be tested.

Roy

Mar 8, 2021 at 5:21 PM (Merged)
Avatar
JIMEL48
  • MEMBER
  • 32 POSTS
Good morning Roy,

You were right 50 amp fuse blown. Power is getting to fuse just not going though. Not sure why fuse blew but I will replace and hopefully it will not blow again. If it does whole new set of problems. Thanks very much for your time and walking me through this process.
Mar 8, 2021 at 5:22 PM (Merged)
Avatar
ASEMASTER6371
  • AUTOMOTIVE REPAIR CONTRIBUTOR
  • 52,796 POSTS
You are welcome.

It will fail again. Fuses fail for a reason.

I would replace the ignition switch itself as that is the most common failure for that fuse to fail.

Roy
Mar 8, 2021 at 5:22 PM (Merged)
Avatar
JENNYLYNN1977
  • MEMBER
  • 2 POSTS
I have a 2001 Ford Ranger with just over 100k miles. Truck was running fine, had to run and errand and turned truck off for about 15 minutes, when I went to start it, nothing. We tried to jump it, nothing, won't turn over, makes a clicking sound sometimes.
Also when the key is not in the ignition and I open the door the truck starts clicking really fast. Sometimes the lights work for a few minutes and then they go out.
I've only ever had to replace the ball joints on the truck, I've never had any other issues, excpet just a week ago I noticed a small leak around the oil pan gasket, but very small leak.
any idea's on what this might be, could it be the starter, or a short in the starter?
Mar 8, 2021 at 5:22 PM (Merged)
Avatar
JENNYLYNN1977
  • MEMBER
  • 2 POSTS
I just replaced the battery and the truck is working great now!!! Thank you so much for the help, if anyone else has the problem try replacing the battery, if that solves your problem, please send in a donation to keep this site running!!
Thanks again!!!
Mar 8, 2021 at 5:22 PM (Merged)
Avatar
PHIL JOHNSON
  • MEMBER
  • 4 POSTS
My truck will not start. When I turn the key nothing. I hear the fuel pump dash lights come on anti theft flashes fast. I changed my ignition switch and neutral safety switch. I checked the starter relay it is okay. I can jump the starter with a screwdriver with the key on it turns but the truck still will not start.
Mar 8, 2021 at 5:22 PM (Merged)
Avatar
ASEMASTER6371
  • AUTOMOTIVE REPAIR CONTRIBUTOR
  • 52,796 POSTS
Good afternoon.

Does the anti theft light go out with the key on? This guide can help us fix it

https://www.2carpros.com/articles/starter-not-working-repair

Please run down this guide and report back. Roy
Mar 8, 2021 at 5:22 PM (Merged)
Avatar
PHIL JOHNSON
  • MEMBER
  • 4 POSTS
It flashes slow until I try to start it then it speeds up.
Mar 8, 2021 at 5:22 PM (Merged)