Saturday, December 2nd, 2017 AT 8:54 PM
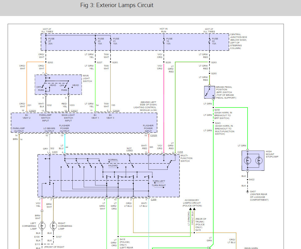
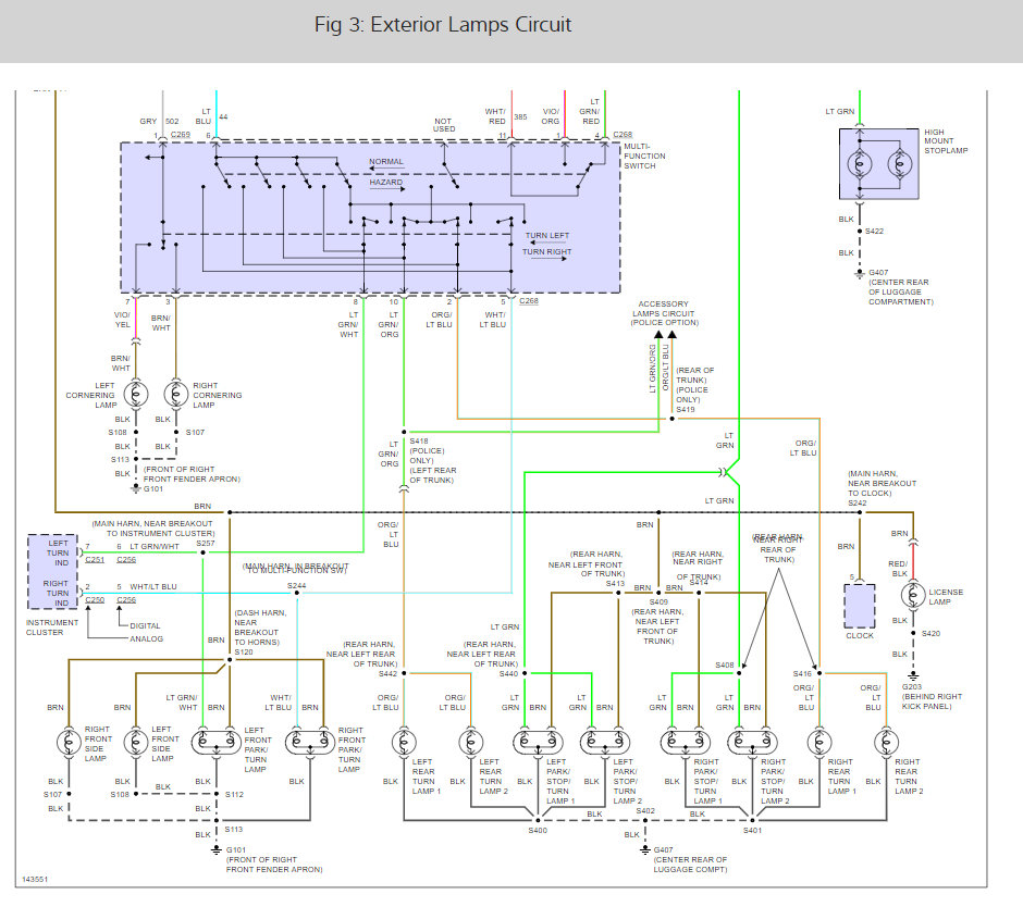
I have no tail lights in my car and no license or dash lights. I cannot figure out what is wrong. I did have a 15 amp fuse that was blown. Can someone please help me figure out what my issues are? Thanks













