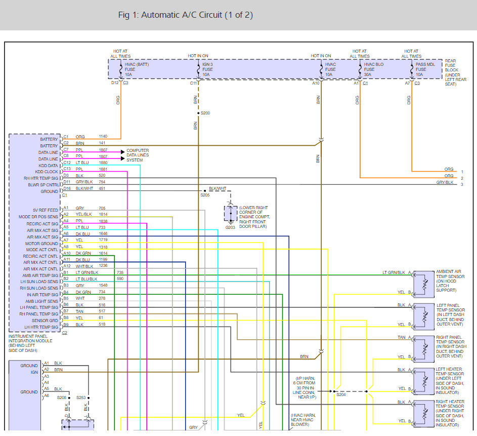
the car worked fine aside from the typical left side blowing hot while the rest blows cold. Which I bypassed four years ago by using a lawn mower throttle cable.
there are also no codes given off by the on-board diagnostics. I have searched the internet high and low and I also took it to the Buick dealer. They also did not know what was wrong. I have tried replacing the climate control, unhooking the battery I am completely stumped as to what could be wrong with it.
Sunday, August 27th, 2017 AT 3:19 PM





