Saturday, December 14th, 2019 AT 4:14 AM
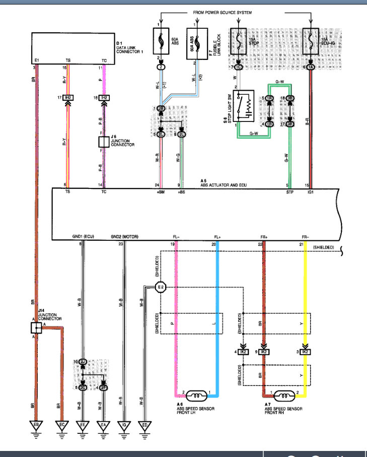
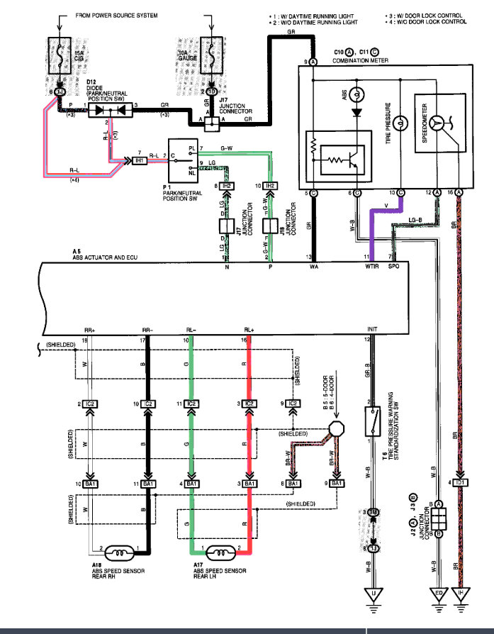
My car makes humming sound when I applied brake pedal and also when I enter into a pot hole. I have changed the ABS but the sound still persisting but the sound stop if I disconnect the ABS wire from the ABS Block chamber. The brake system is working perfectly when matched.



