Saturday, May 2nd, 2020 AT 7:35 AM
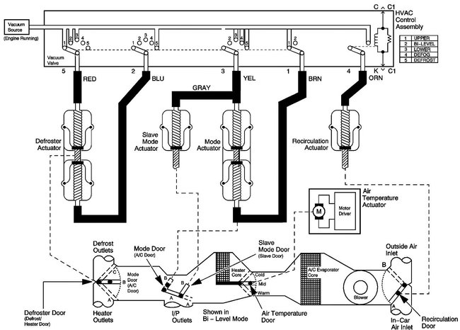
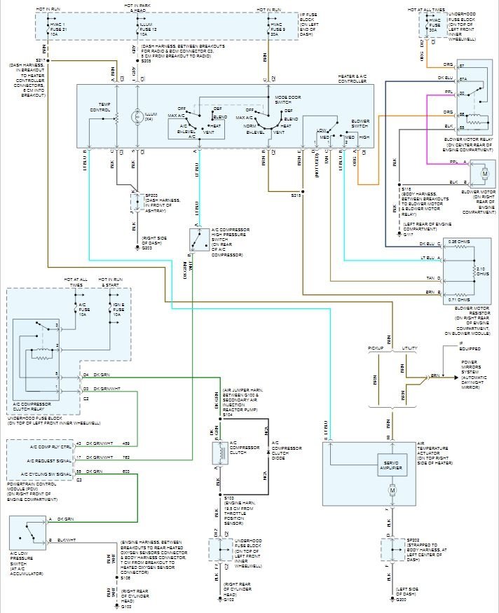
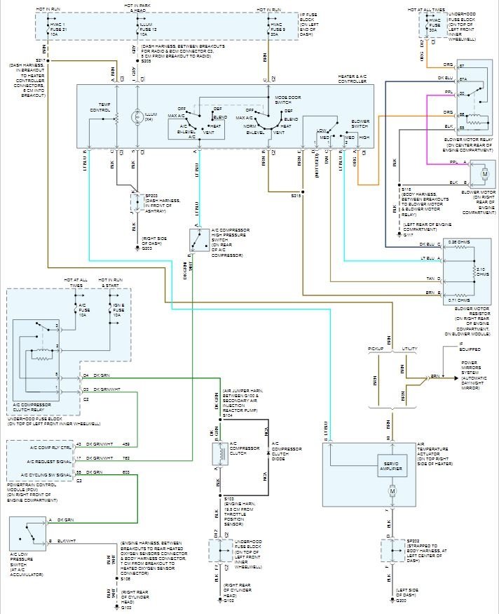
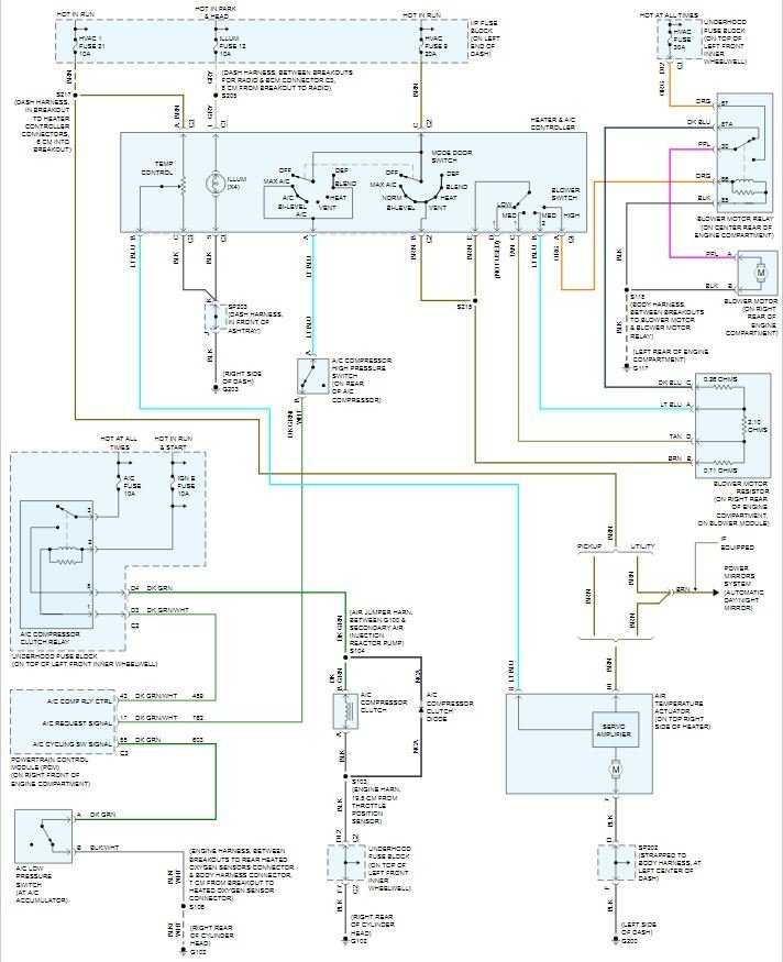
Just replace heater core, now where the heat comes out on the floor, it always seems as if hot air is always coming out the vents, both sides of the floor. The switches for the heat is off and I can't figure out way this is doing this, is this some kind of pollution where the air has to come out all the time? The temperature here is in the 60 degree mark, but the floor vent blowing the hot air makes my drivers side foot feel like its on fire. Can you help me on this issue please. Thanks













