Wednesday, August 23rd, 2023 AT 4:39 PM
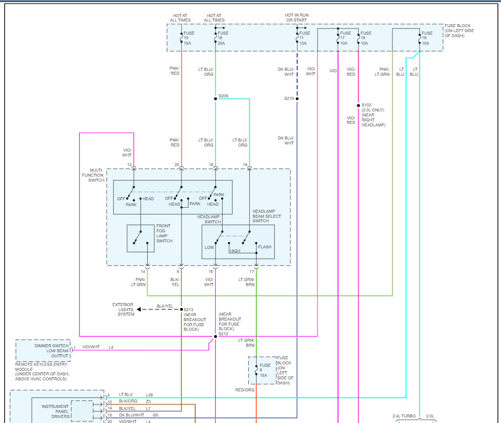
Well, at first it started out simply that the high beam headlights didn't work. We checked fuses and I couldn't find a relay for it but all of the fuses looked fine, including the high beams. So, as I researched there was a possibility of it being a relay but like I said I couldn't find them or any diagrams to where the high beam relay would be, eventually we figured something could be wrong with the high beam switch, I'm not sure if that's what it's called but the stick you use for blinkers and other lights, first (my dads helping me with this) my dad said we should take out the wiring harness/20 way multifunction switch and test to see if the high beams had any sort of power, if they did that meant it was likely a problem with the blinker switch and that should be replaced, so I found a diagram (picture) above the diagram is a 20 way multifunction switch drawing that looked like mine but it wouldn't let me add multiple pictures, first we tested it with a little thing that measures volts, connecting the black side to 11/ground and then the red side to the low beams/6 then the high beams/8, at first the low beams went as -12.5v and high beams went as -1.1 or sometimes -0.8, dad said it was odd they were going as negative but in the end didnt think much of it, but anyway eventually randomly the high beams went as -12.5 volts instead of -1.1 so that seemed good, (btw 7/ground did nothing when we connected it to literally anything) dad said we should see if we can even get the high beams to turn on, so we took a wire and put one side in the ground/11 and another in the low beams, dad said one of the low beams went on (previously they both worked when turned on using the blinker stick) so then we tried it with the high beams, he said nothing happened, went back to the low beams, nothing, took it off for a bit and retwisted the ends of the wire to make it stick in better and then I accidentaly connected the ground/11 to the ground/7 and it smoked a tiny bit so I quickly pulled away then when I was confused I realized I connected it to 7 not 6, and then after that nothing was working on the multifunction switch, I decided to plus it back in how it usually is and try the blinker stick for all the lights and nothing came on, however when you press the unlock button lights still come on. I know that's a lot but can anyone tell me what I should do or check? Thanks so much to anyone who does.




