Sunday, July 18th, 2021 AT 7:18 PM
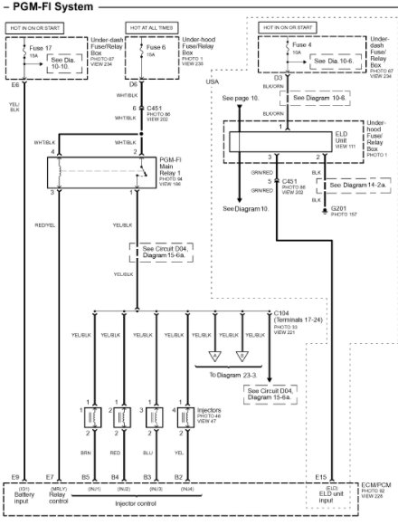
Hey all, my husband and I have the car listed above that just won't start. My husband installed an aftermarket stereo system and went to turn the key over it started then made a loud pop and shut off. After it shut off it still has power and now it just cranks. Upon inspecting the main things a car needs to start we noticed the fuel pump wasn't engaging. Replaced that and relays its now engaging but there is no fuel in the fuel rail. We've scanned it many times and it threw a code for the dual solenoid on the transmission. Tested that and wiring they worked fine. We've cleaned and tested grounds, checked fuses, spark, timing, starter and alternator. Starting to wonder if it's not something to do with the ECU. The check engine light comes on sometimes.













