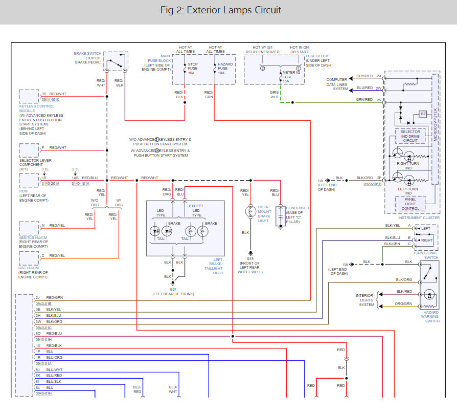
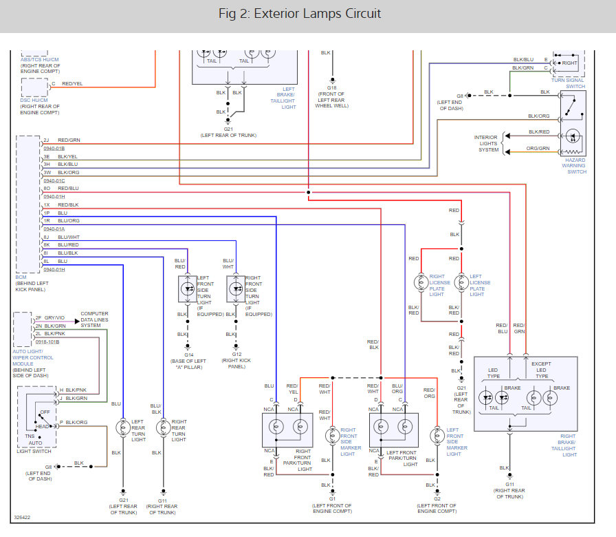
I read in many forums that the possible cause could be the BCM.
After checking the fuses and light bulbs I went ahead and bought a used BCM.
I installed it but the problem persist, now I put my original BCM back in the car.
I'm not sure where else to look.
Please help.
Thanks!
Saturday, April 18th, 2020 AT 6:38 PM









