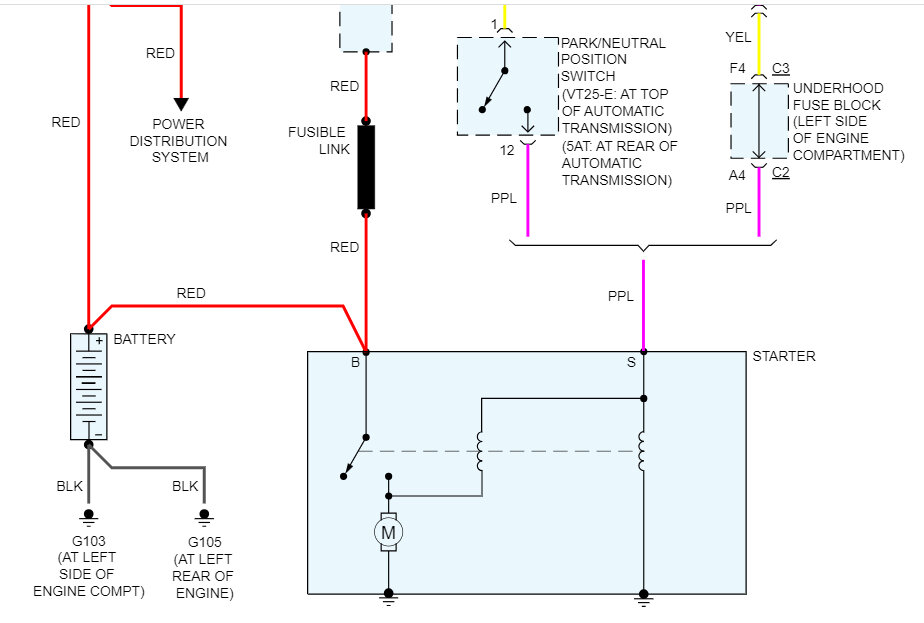
I'm wondering if these wires are not causing the problems, if maybe shorted out starter.
In addition, there are multiple problems with my ignition switch. It was recalled and I replaced it three times. I need to replace it again. It keeps shredding my keys. I'm a concerned that maybe my engine locked up?
Where do you think I should go from here?
Thank you in advance for your assistance.
Sent pics of wires.
Friday, August 18th, 2023 AT 7:25 PM



