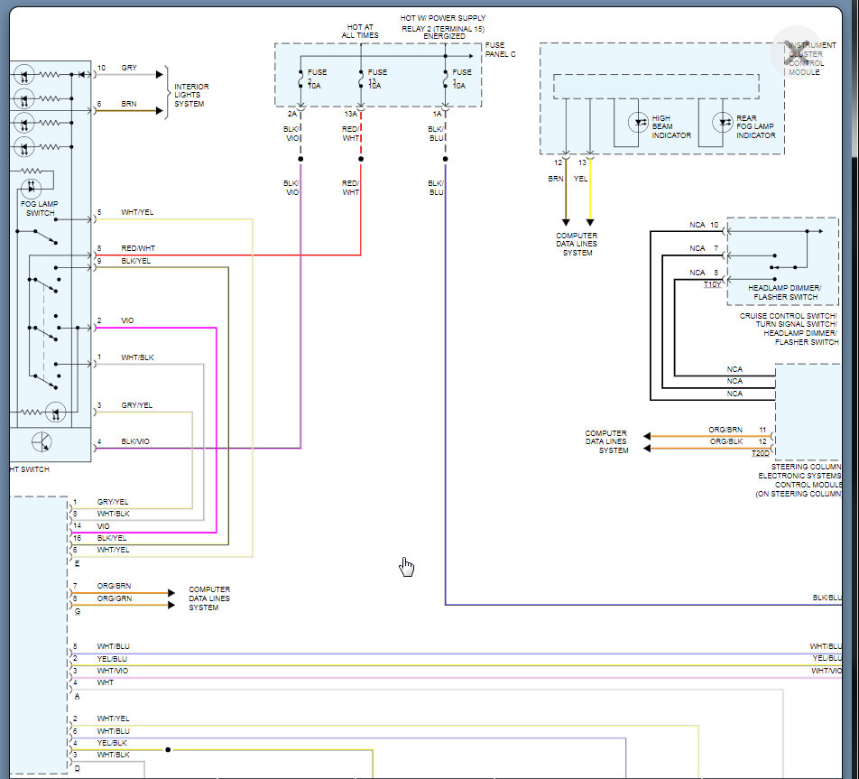
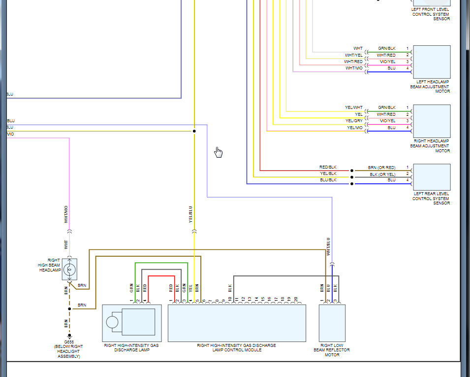
The car has had an issue with the electrical since I've been driving it around 2018 my dad has had it since 2014 I believe I'm not sure when he experienced the first issues though. While there is an issue shifting the bulbs into the bright position or however that works it will not be the focus for now I just want to get my lights to work at all.
Currently my headlights give off no lights and only the driver's side light beneath the headlight works, I have been driving with both fog lights which is manageable but I'd like my lights. The car has a wide variety of electrical issues from internal overhead lights turning on randomly or not turning on or turning on when pressing the roof, the A/C doesn't work though it's hard to tell if it's electrical it definitely doesn't just need an A/C recharge or whatever you'd call it with those bottles you buy. I believe it doesn't do a great job at feeding the right amount of electricity to each speaker as some sound different than others. There are also misfires according to O'Riley's which could be attributed to a purge valve needing to be replaced also according to O'Riley's.
On to the headlights, they slowly started going out over two years, first it was the right one then the left sometimes turned off and is now completely off. The underheadlight lights used to both work but now just the left one. The bulbs are fine as they had been recently switched out before they started going out to my understanding and you can turn them on by activating the brights with the electrical turned on but the engine off and they seem fine though they are and have always been dimmer than they should be. The fog lights have been troopers for quite some time now but I'd like headlights again any ideas?
Thursday, June 3rd, 2021 AT 12:40 PM







