Hi,
I have a problem with my alternator not charging battery at all.
I have already replaced it with the new alternator and same issue happens.
The red Alt light comes on (with different intensity)
sometimes it's really visible RED and sometimes it's very dim.
The car starts and runs fine.
I tried to remove positive wire from the battery while the car is running and it stops running instantly.
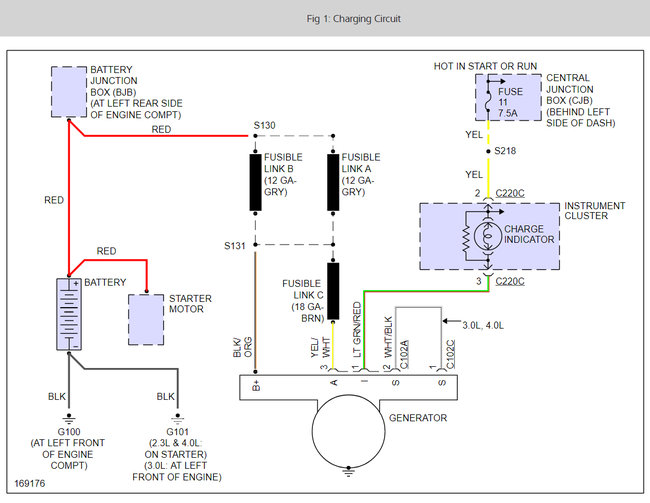
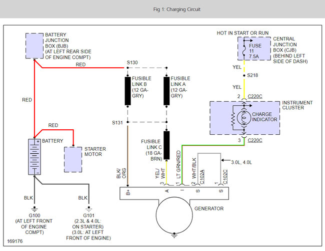
I have checked all fuses and they are good.
Battery seams fine since I can Charge it with my external charger.
Any Ideas?
Thanks
Alex
Monday, October 25th, 2010 AT 9:56 AM




