Tuesday, December 24th, 2019 AT 7:27 AM
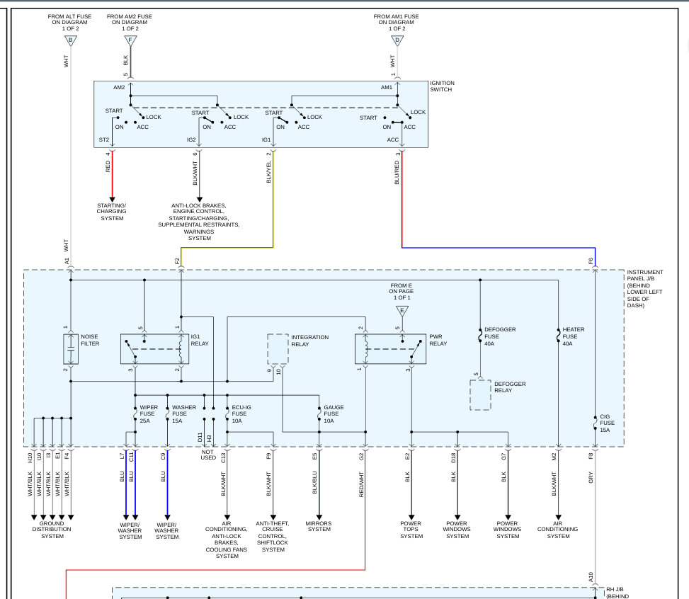
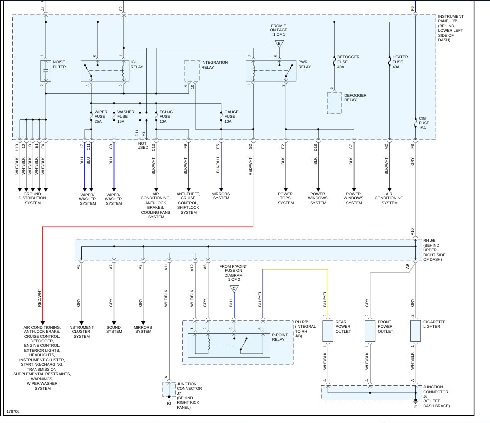
Starter good, but no crank, not running, no fuel or fire. Not sure how to track wiring and check computer. No check engine light but everything else seems to be okay.











