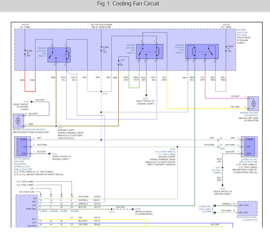
Since then, the fan still runs on high and now I’m getting a whining noise. I have yet to get a check engine light and the truck isn’t overheating. My buddy came over with his code scanner and it came up with a P0238 code.
I’m really at wits end with this. I just paid the truck off and now things seem to be breaking. Any help/advice would be greatly appreciated.
Saturday, February 25th, 2023 AT 1:45 AM



