Sunday, October 2nd, 2022 AT 5:16 PM
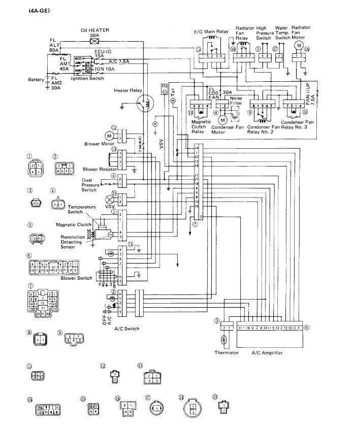
Whilst driving the vehicle with the air conditioning switched on for approximately 50km the engine loses power then shuts down completely, after half hour wait the engine restarts perfectly and runs fine, but if I turn the aircon back on the engine stops working again. This problem appears to only occur when using the A/C, we drove 150km without air con and no problem. This is my final hope to sort this problem out. The vehicle has been to my regular garage often, but the problem has never been resolved. They specialize with Toyota. The A/C has been to a specialist but no faults found.




