Coolant temperature sensor location needed please?

Tiny
COY GNADE
  • MEMBER
  • 2019 FORD F-150
  • 2.7L
  • V6
  • TURBO
  • 2WD
  • AUTOMATIC
  • 32,000 MILES
Hi, I was wondering where it would be in the engine. I took it to O'reillys and they told me the code for it and all im seeing is for like a 5.0L. So I was wondering where it is on my engine and is it a easy to do fix?
Sunday, March 7th, 2021 AT 10:08 AM

39 Replies

Tiny
DANNY L
  • MECHANIC
  • 5,648 POSTS
Hello, I'm Danny.

The coolant temperature sensor is located underneath the intake manifold in the lifter valley area. You will have to remove all the upper engine accessories and the intake manifold to gain access to the sensor. Being that your truck is a 2019 does the factory Ford warranty still apply? I would have them cover it first due to the fact that if you have to do this repair yourself out of pocket it will cost thousands of dollars. We can provide you with the repair guides if you choose to do this however I would check your warranty information first being this is a relatively new truck. I've attached a picture below of the coolant temperature sensor location. Let us know how you are going to proceed and we'll go from there. Hope this helps and thanks for using 2CarPros. Check out the images (below). Let us know how it goes
Was this
answer
helpful?
Yes
No
+2
Sunday, March 7th, 2021 AT 5:31 PM
Tiny
COY GNADE
  • MEMBER
  • 3 POSTS
Unfortunately the dealership thinks rats did it. I went yesterday but my father in law knows cars a lot he just needs a correct diagram of the engine and where it is and we might be able to do it.
Was this
answer
helpful?
Yes
No
Sunday, March 7th, 2021 AT 5:43 PM
Tiny
COY GNADE
  • MEMBER
  • 3 POSTS
I'm going to do it myself could you send me a diagram of the wire sensors?
Was this
answer
helpful?
Yes
No
+1
Sunday, March 7th, 2021 AT 6:09 PM
Tiny
JACOBANDNICKOLAS
  • MECHANIC
  • 110,176 POSTS
Hi,

I attached two pics below which include the coolant temp sensor. I highlighted the sensor in pic 2.

Let me know if this helps.

Joe
Was this
answer
helpful?
Yes
No
+1
Tuesday, March 9th, 2021 AT 5:53 PM
Tiny
DANNY L
  • MECHANIC
  • 5,648 POSTS
Hello again.

Here is the information you requested. We have had a bunch of people request wiring diagrams here due to rats chewing up the wiring so you are not the first. That is a bummer especially being a new truck. Here is a tutorial showing how to test electrical wiring:

https://www.2carpros.com/articles/how-to-check-wiring

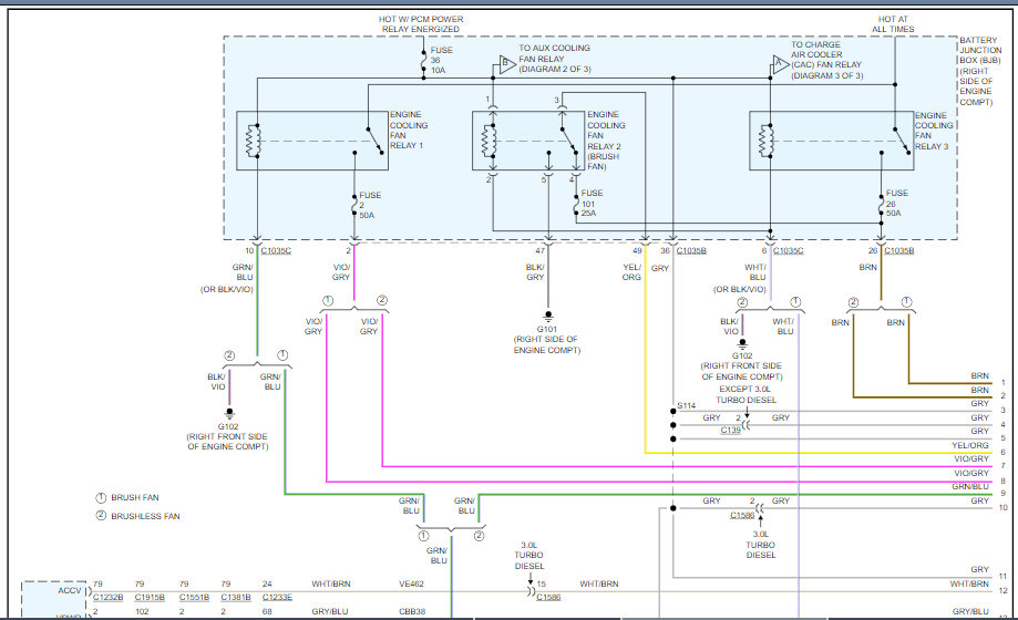
I've attached the wiring diagrams below for the cooling system including the coolant temperature sensor. I've cut the diagrams into 3 pieces so you can view larger. I've circled the sensor in red. Let us know if you have any further questions on this issue or need any further diagrams-help. Hope this helps and thanks again for using 2CarPros.

Danny-
Was this
answer
helpful?
Yes
No
+1
Tuesday, March 9th, 2021 AT 7:17 PM
Tiny
BCW19811
  • MEMBER
  • 5 POSTS
  • 2016 FORD F-150
  • 5.0L
  • V8
  • 4WD
  • AUTOMATIC
  • 60,200 MILES
I have pulled the code, P1289 and got the replacement part but need to figure out where it is located.
Was this
answer
helpful?
Yes
No
+1
Friday, May 7th, 2021 AT 11:18 AM (Merged)
Tiny
JIS001
  • MECHANIC
  • 3,412 POSTS
Removal

NOTE:Â Removal steps in this procedure may contain installation details.

Remove the RH fender splash shield.
Refer to: Fender Splash Shield (501-02 Front End Body Panels, Removal and Installation).

NOTE:Â Do not reuse the CHT sensor, install a new sensor.

Disconnect the CHT sensor electrical connector.
Remove and discard the CHT sensor.
Torque : 97 lb. In (11 Nm)
Was this
answer
helpful?
Yes
No
+4
Friday, May 7th, 2021 AT 11:18 AM (Merged)
Tiny
BCW19811
  • MEMBER
  • 5 POSTS
Can you post a link to the fender splash guard removal? I have searched the site and cannot find it. Thanks
Was this
answer
helpful?
Yes
No
Friday, May 7th, 2021 AT 11:18 AM (Merged)
Tiny
JIS001
  • MECHANIC
  • 3,412 POSTS
Here you go. Good luck with the repair.
Was this
answer
helpful?
Yes
No
+3
Friday, May 7th, 2021 AT 11:18 AM (Merged)
Tiny
AAPACER
  • MEMBER
  • 1 POST
  • 2016 FORD F-150
  • 5.0L
  • 60,000 MILES
Check engine light is on telling me to replace the engine coolant sensor
Was this
answer
helpful?
Yes
No
+2
Friday, May 7th, 2021 AT 11:18 AM (Merged)
Tiny
SCGRANTURISMO
  • MECHANIC
  • 4,897 POSTS
Hello,

The Cylinder Head Temperature (CHT) sensor is located a left center of the rear of the engine. I have included a set of engine sensors in the diagrams down below for you vehicle. If you have any other vehicle related questions, please, feel free to ask. It's what we do and why we are here.

Thanks,
Alex
2CarPros
Was this
answer
helpful?
Yes
No
+3
Friday, May 7th, 2021 AT 11:18 AM (Merged)
Tiny
BCW19811
  • MEMBER
  • 5 POSTS
Do the clips in the first diagram unscrew or do they pop out? Also are they reusable or do I need replacements?
Was this
answer
helpful?
Yes
No
Friday, May 7th, 2021 AT 11:18 AM (Merged)
Tiny
JIS001
  • MECHANIC
  • 3,412 POSTS
All the plastic clips pop out.
Was this
answer
helpful?
Yes
No
+1
Friday, May 7th, 2021 AT 11:18 AM (Merged)
Tiny
BCW19811
  • MEMBER
  • 5 POSTS
Problem solved. The part was easy to swap out. Took about 30 minutes from start to finish. I think I wasted more time looking for my ratchet. Thanks for the help.
Was this
answer
helpful?
Yes
No
Friday, May 7th, 2021 AT 11:18 AM (Merged)
Tiny
HARRY POWAR
  • MEMBER
  • 1 POST
  • 2015 FORD F-150
  • 5.0L
  • V8
  • TURBO
  • 4WD
  • AUTOMATIC
  • 35,000 MILES
I am trying to find coolant temperature sensor location on my truck. Please help me out with this.
Was this
answer
helpful?
Yes
No
Friday, May 7th, 2021 AT 11:18 AM (Merged)
Tiny
SCGRANTURISMO
  • MECHANIC
  • 4,897 POSTS
Hello,

I have included the information that you have requested in the form of two diagrams in the diagrams down below. Please go through these guides and get back to us with how everything turns out. I hope that this helps.

Thanks,
Alex
2CarPros
Was this
answer
helpful?
Yes
No
+1
Friday, May 7th, 2021 AT 11:18 AM (Merged)
Tiny
THEPOGO
  • MEMBER
  • 2 POSTS
  • 2014 FORD F-150
  • 6.2L
  • V8
  • 2WD
  • AUTOMATIC
  • 95,000 MILES
Where is the coolant temp sensor Located? Sorry the engine is a 5.0L.
Was this
answer
helpful?
Yes
No
Friday, May 7th, 2021 AT 11:18 AM (Merged)
Tiny
DANNY L
  • MECHANIC
  • 5,648 POSTS
Hello, I'm Danny.

Here is the information you requested. The coolant-cylinder temperature sensor is located on the right rear of the engine. Here are a few coolant temperature sensor tutorials for you to view:

https://www.2carpros.com/articles/symptoms-of-a-bad-coolant-temperature-sensor

https://www.2carpros.com/articles/how-a-coolant-temperature-sensor-works

I've attached a picture below of its location and circled in red. Hope this helps and thanks for using 2CarPros.
Was this
answer
helpful?
Yes
No
Friday, May 7th, 2021 AT 11:18 AM (Merged)
Tiny
THEPOGO
  • MEMBER
  • 2 POSTS
Thank you. I will get after it.
Was this
answer
helpful?
Yes
No
Friday, May 7th, 2021 AT 11:18 AM (Merged)
Tiny
DANNY L
  • MECHANIC
  • 5,648 POSTS
You're welcome!
Keep us updated. Thanks again for using 2CarPros.

Danny-
Was this
answer
helpful?
Yes
No
Friday, May 7th, 2021 AT 11:18 AM (Merged)

Please login or register to post a reply.