Wednesday, August 5th, 2020 AT 9:30 PM
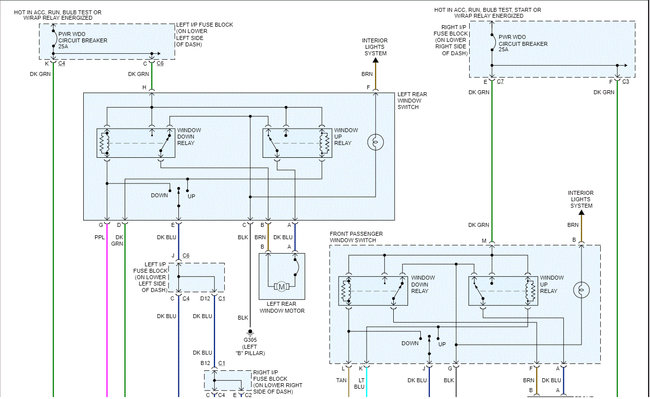
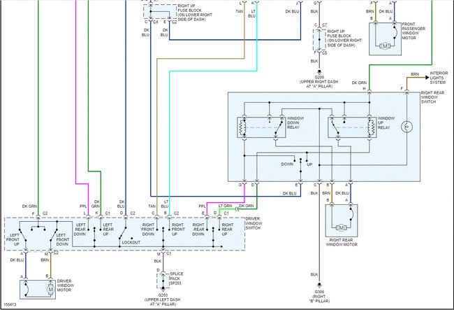
I'm at a loss here. All my windows work but the driver side. I have replaced the regulator 3 times and confirmed all units work outside the truck. I have replaced the switch panel once. And swapped a confirmed working panel from another suburban. I have checked the wires between the door and the track for issues. None exist. I tried splicing the wire at the switch to the motor to see if there is a wire issue issue on the door. I have spliced the wires that trigger the passenger front window to the driver motor in hopes that this may trigger the window. The only thing I can think that might be an issue would a ground that goes to the regulator. But I am not seeing any such ground wire on any of the diagrams. What am I missing?






