Thursday, December 9th, 2021 AT 4:42 PM
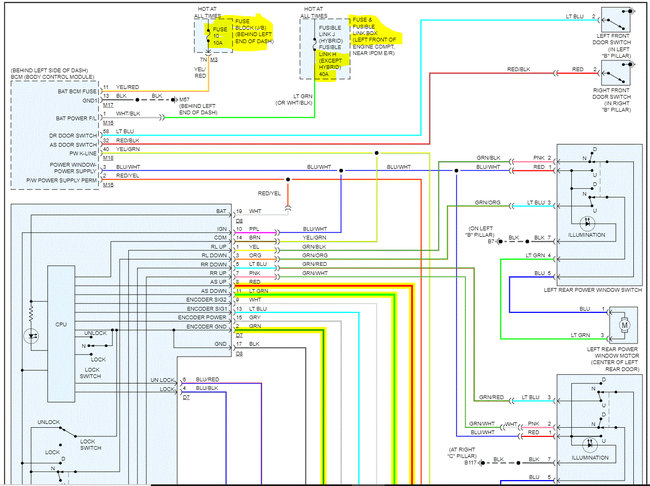
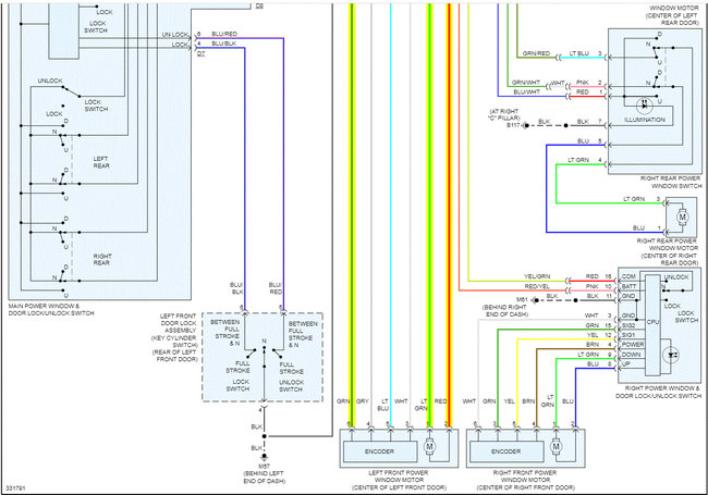
When I use the switch to roll the driver side up or down, it controls the passenger side! Was cleaning the inner parts of the door and another person touched a paper clip from the negative and positive to "reset" the window because it was very hesitant to go up. Since this spark form the paper clip occurred, now the driver side won't do anything, and my passenger is only controlled by the driver switch. The driver switch controls nothing. Oh, the passenger door switch also still functions. Please help.


