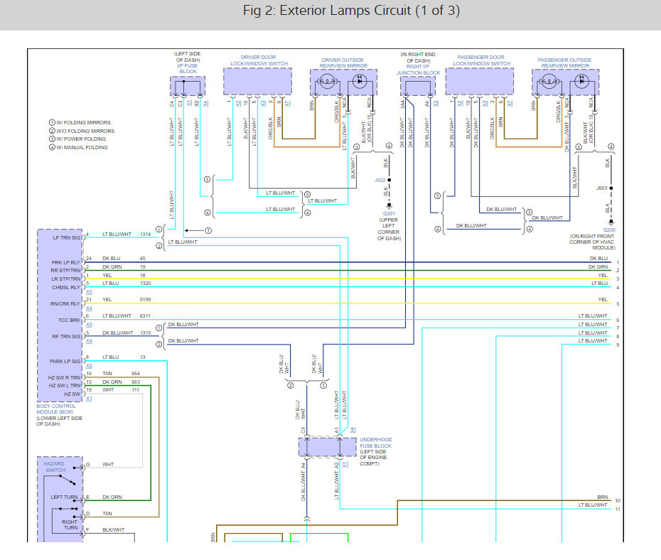
I get good voltage directly from the turn signal switch that is connected to the steering wheel. Tan wire goes to right has good voltage and can see it open and closing same with the green on the left.
I had to cut open the tape coming from the steering wheel to trace where the wires are going and they are connected to the top side of GM24242480 Module assembly transfer case shift control, or at least there is some other type of module behind it that it plugs into.
So, going from the turn signal switch to the back of the TCM the voltage is working as it should and somewhere after is where I'm losing my signal.
I can't figure out if I have a bad ground somewhere in between, but as I said before, everything else works on the headlight.
I honestly have no idea where the wire goes after the TCM as I don't have very good access behind it.
I have the Haynes repair manual for my truck, so I have all of the wiring diagrams but can't figure out where my signal is actually dropping. I'm trying not to have to replace the TCM or whatever is behind it due to one wire.
This happened when I was in the process of installing new headlights and switchbacks. It had worked at the beginning and then all of the blinkers on the front and back went out and never came back. One last thing is those lights that are being used for blinkers do come on in the front on the left as well, they just never blink.
Finally, there is an aftermarket mirror on the driver's side that has a turn signal installed in it. The passenger side only has the standard mirror. I haven't tried to diagnose if that is the problem. However, there were some loose wires that I repaired because every time that I used the electric mirror control to the left it would pop a fuse.
Monday, September 26th, 2022 AT 7:42 PM
















