Does not start

Tiny
SABUESO
  • MEMBER
  • 2006 MERCEDES BENZ 280
  • 2.8L
  • 6 CYL
  • 2WD
  • AUTOMATIC
  • 148,678 MILES
My car doesn't start. No signal from the switch.
Monday, November 2nd, 2020 AT 6:52 AM

1 Reply

Tiny
JACOBANDNICKOLAS
  • MECHANIC
  • 110,176 POSTS
Hi,

Does the starter engage and it not start or does nothing happen? Does anything electrical work?

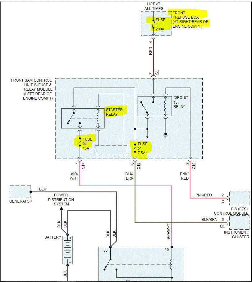
Take a look at the pic below. I need to know if you checked the fuses I highlighted as well as if you checked the starter relay.

Pic 2 shows the fuse location. The fuse / relay box is in the rear driver's side of the engine compartment. In addition to checking the fuse, make sure there is power both in and out from it.

Here is a link you may find helpful:

https://www.2carpros.com/articles/how-to-check-a-car-fuse

Let me know what you find.

Joe
Was this
answer
helpful?
Yes
No
Monday, November 2nd, 2020 AT 5:36 PM

Please login or register to post a reply.