Friday, July 31st, 2009 AT 5:56 PM
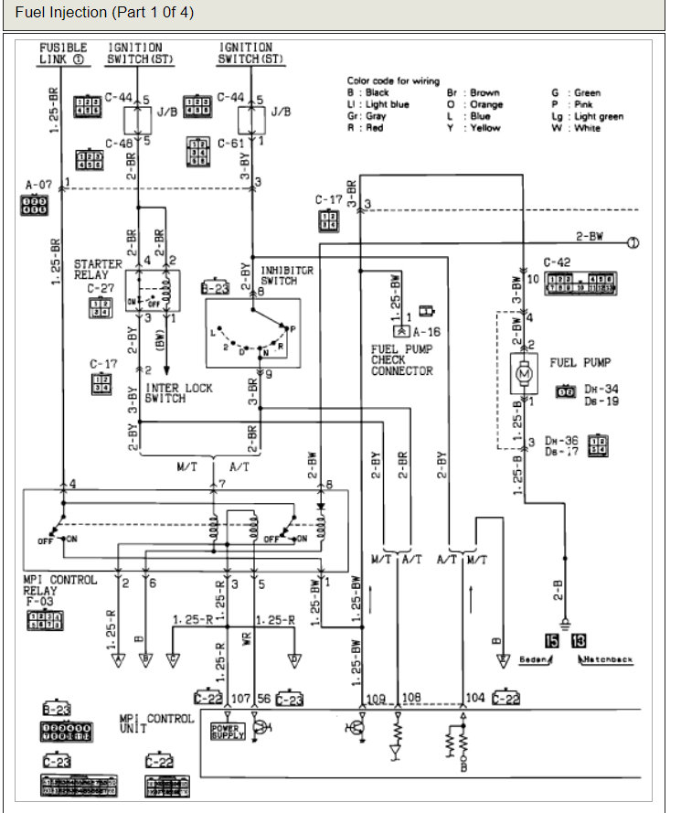
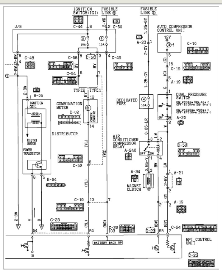
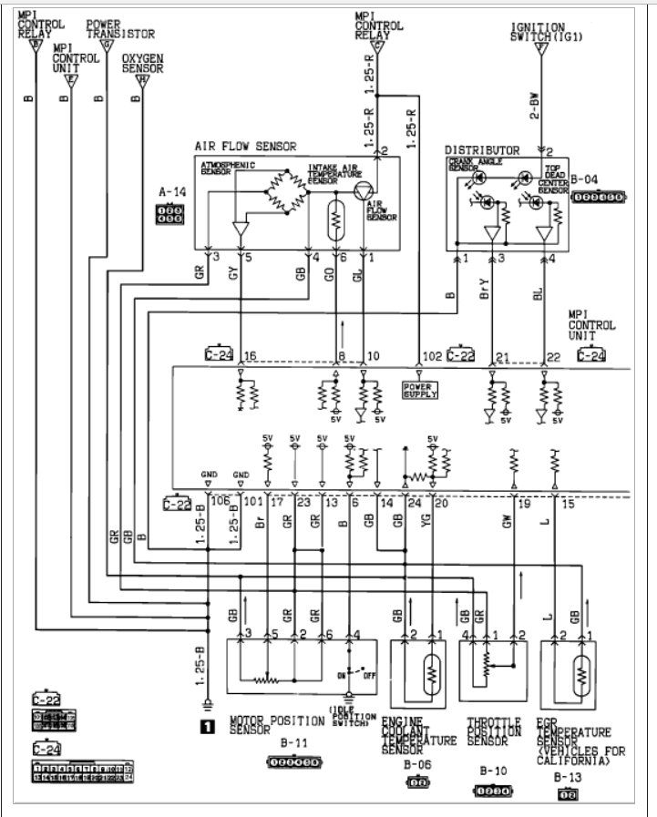
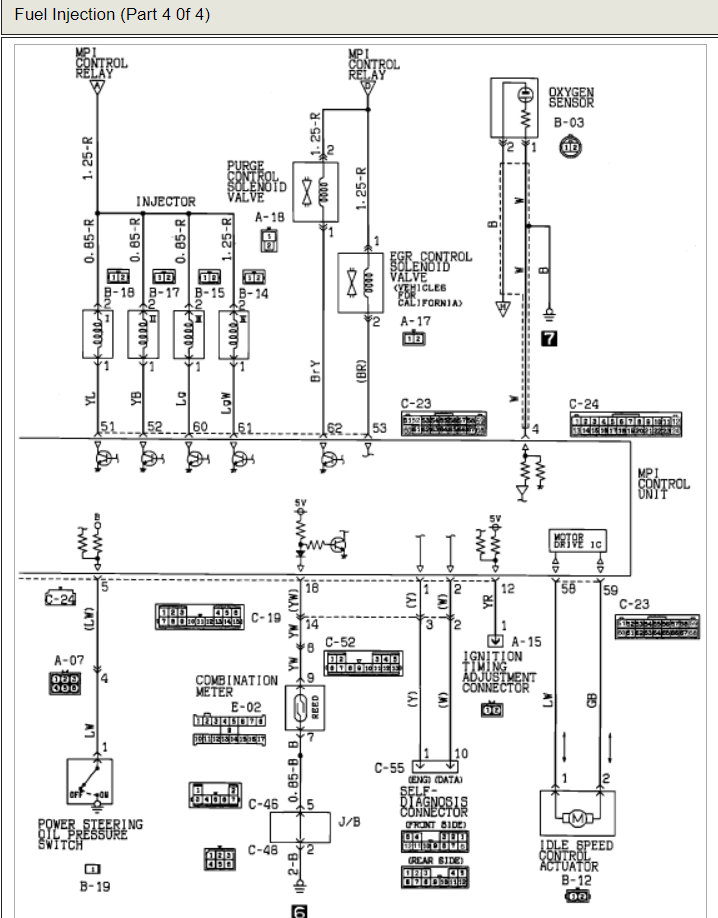
I drove car to work, ran fine. Got in it to come home, wouldnt start. Checked for spark from distributor and there wasnt any. Repair books and part store guys all agreed it was the coil. Cant buy just the coil, had to buy whole distributor. Replaced distributor and still no spark. Repair book says next option is the power transistor. Is this what is wrong? I am getting gas to cylinders, I have looked for this power transistor and cant find it. Do you know where it is?








