Monday, March 27th, 2023 AT 7:25 PM
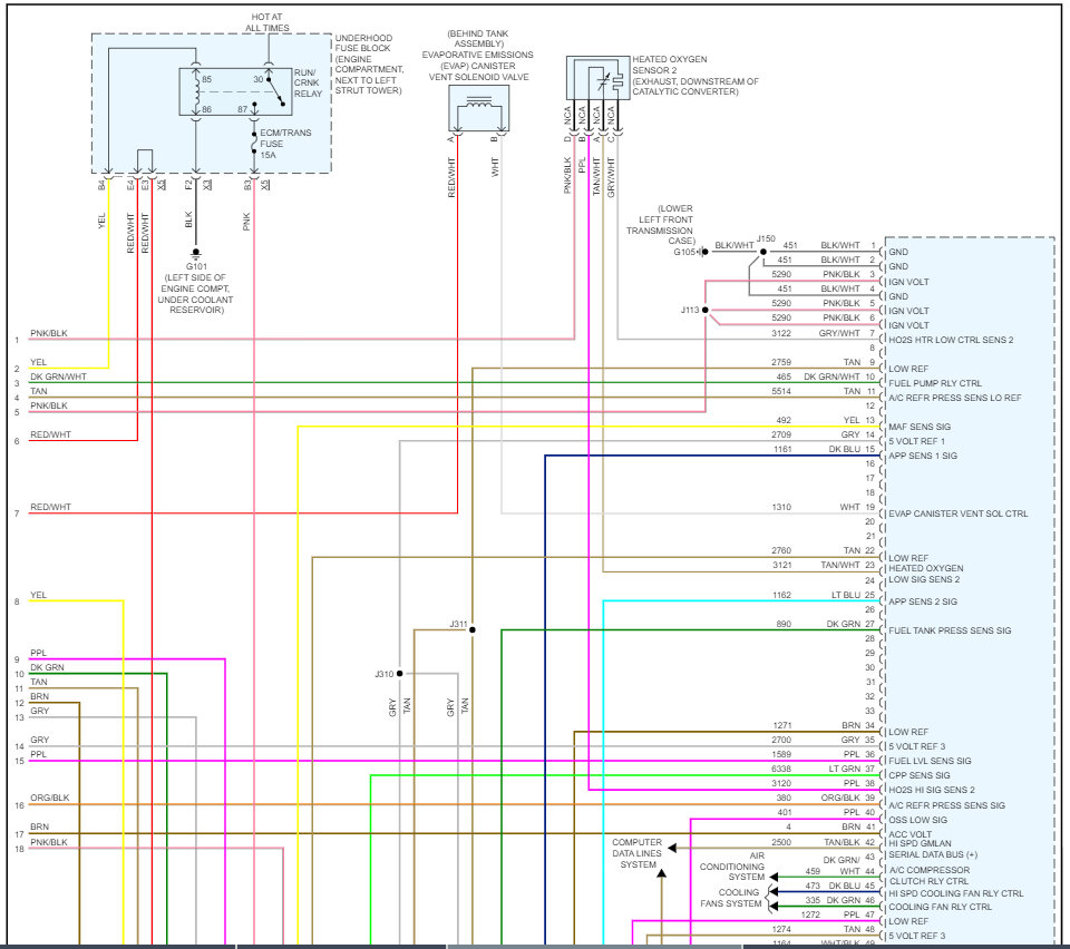
The coils and plugs and fuses are fine. I was driving, then the engine shut off. It will crank but no spark. I couldn't pop start it, but I saw the RPMs moving. I checked the fuses and tried a few tricks but no luck. After I had it towed, the tow driver left the lights on and ruined the brand-new battery. I charged it but my bidirectional scanner only reads a U2129-00 code now. I've had a lot of work done lately to pass inspections. I was trying to fix a P0171 code the day this happened. It was running fine; I took off the throttle body to check for leaks. I put it back on, drove only 3 blocks away and it shut off. The scanner seems to communicate with everything just fine. Upon inspection I discovered oil had leaked down the wire bundle into the ecu plug and elsewhere. I cleaned it all up but still no luck. The car is mechanically sound, I just put a ton of money into it. I've done some random troubleshooting but need help from square one. I'm worried it's a bad wire or connection somewhere but don't know what to check or where to start. Please help bring it back to life!


























