Monday, September 28th, 2020 AT 4:23 PM
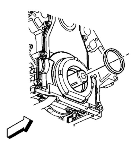
My water pump is going out, coolant is leaking steady but not too fast. I can drive 1/2 hour before having to fill again when low coolant lights comes on. My question is, does my timing need servicing when I replace my water pump? Second question. Pretty sure my crank shaft seal is going out also. Oil and fluids all over everything but more focused on belts and pulleys. I will include pics. I would expect I'll have to do timing for this but could there be a different spot leaking or if it is the crank seal is there a way to replace without retiming the motor?







