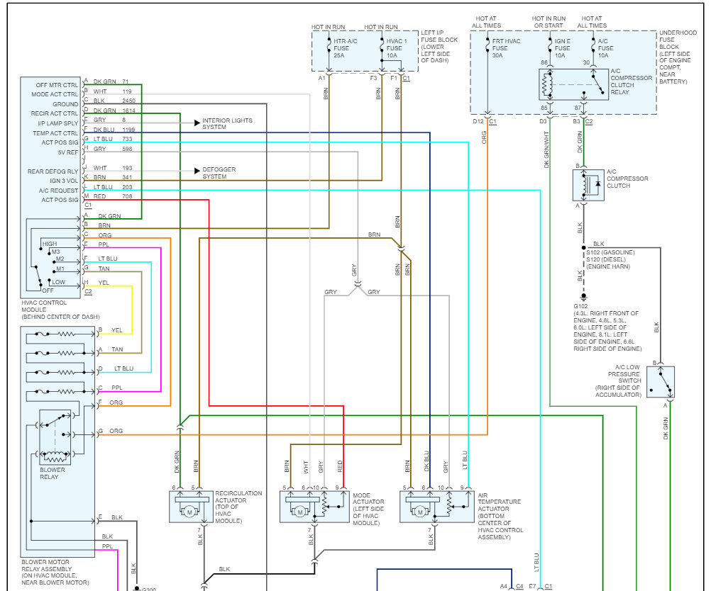
Probing AC Relay pin 85 shows an Intermittent Ground from the PCM. It works when I drive down the highway. It works when I first crank the engine. But when I put the truck in gear and roll it, the ground immediately goes away. Then the compressor will kick on, drop RPMs, then immediately kick off. Over and over.
With the multimeter on my hood, I can watch the GND come in and out from pin 85
Friday, August 11th, 2023 AT 1:05 AM




