Saturday, August 19th, 2023 AT 1:22 PM
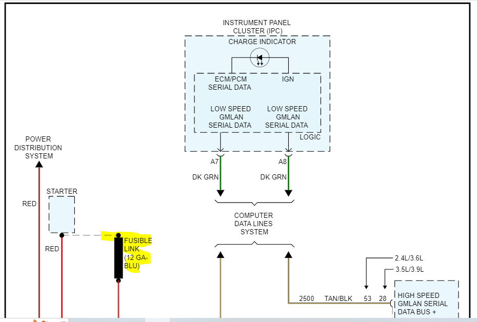
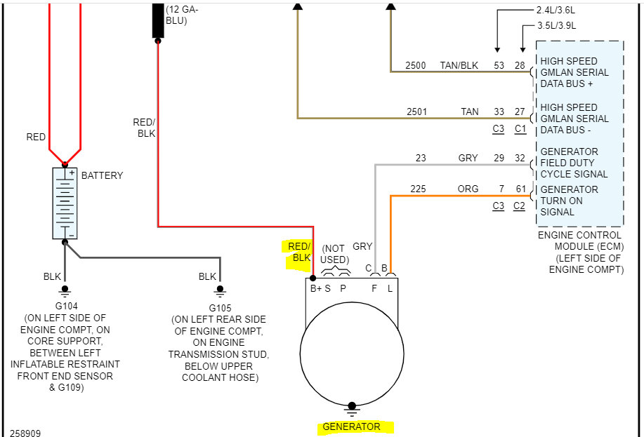
Replaced battery and alternator twice now on third alternator. Battery is reading 12.5 volts on initial startup then drops to 12. The alternator is putting out 1.7 volts at terminal we have verified all wires for power from battery to alternator are good, fuse is serviceable. Not sure what to do next. Please help







