Friday, June 7th, 2013 AT 2:01 AM
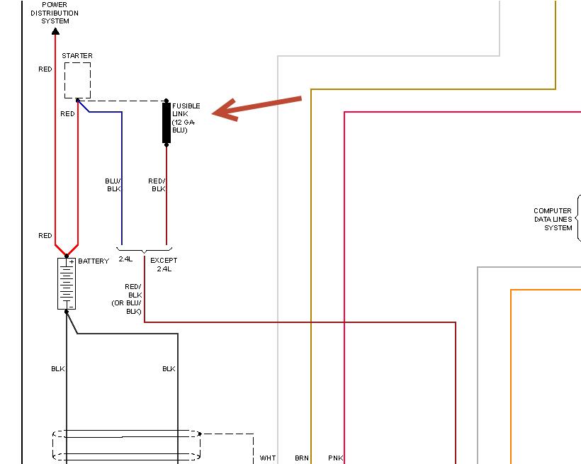
Just replaced alternator and battery. Now my alternator is not charging the battery. All fuses are good, so where should I look first for problem? Or should I say, what all can cause this. My car is 2009 G6 2.4L



